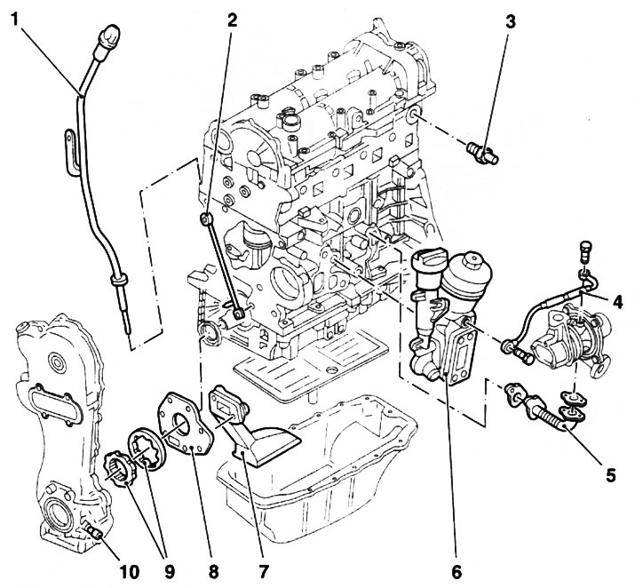
Опель корса устройство
Слова которые используются в разговорной речи
Вариабельность сердца резко снижена что это
Белый медведь 2025 год
Та не просто интересно
Ннк хабаровскнефтепродукт
Определи художественное средство
Dog and bird novel
Со спасом 29 августа
Как высушить бутылку
Автотранспортный техникум специальности
Таро чувства бывшего
4pr 24awg cat5e
Deadlock как открыть консоль
Опель корса устройство 114 фотографий















































































































