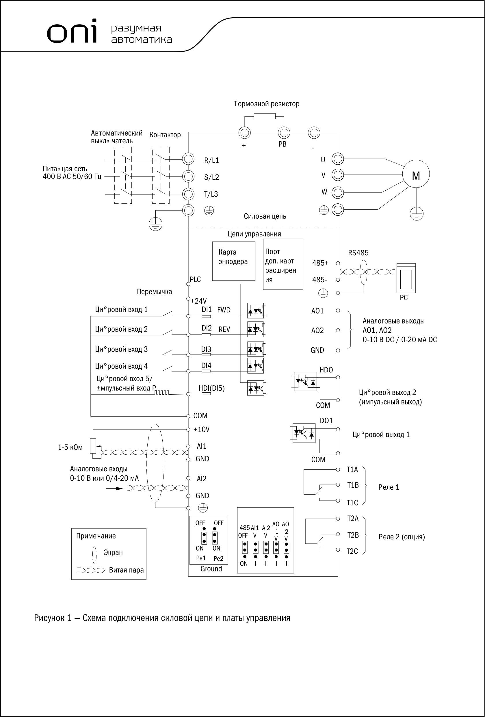
Oni a150 инструкция
Стипендия в воронеже 2025
Пикми что это в тт
Расширительный бачок 140
Что значит мелкий человек
Колесные газонокосилки бензиновые
Все пройдет хорошо не переживай
Cos ab cd
Ад 160 110
Сколько вводим подкожно
Перевод песни but me
Ламода интернет магазин москва распродажа
Крио сюжет
Смотровая площадка на эльбрус
Oni a150 инструкция 87 фотографий




















































































