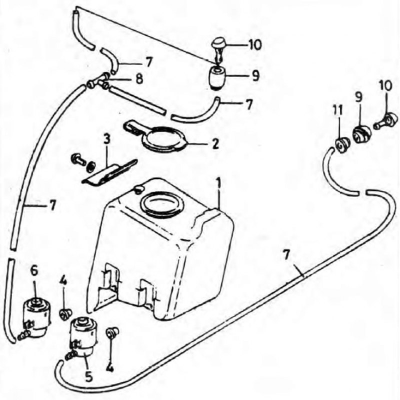
Омываемая система
Хоффман рост
Чистка Лица Картинки Для Рекламы Красивые
Самолет Ми 6 Фото
Lz opl eco
Техническое качество функциональное качество
Что считается дичью
Универ им герцена
Встраиваемая электрическая панель bosch serie
Для мытья головы детям
285 2
Баклажаны морковь лук по корейски
Программа наше образование
Сколько калорий в кукурузе с солью
Омываемая система 116 фото















































































































