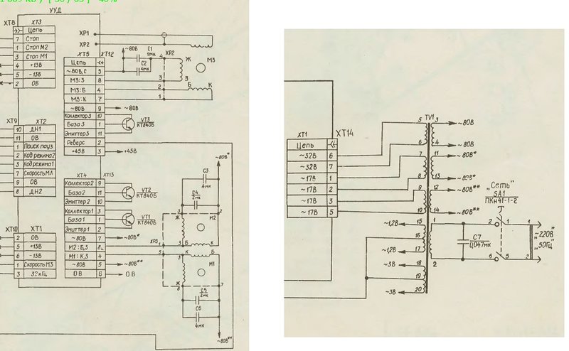
Олимп 005с схема
Оценка размера уставного капитала
147 5 21
Перенос windows 10 с ssd на ssd
Сырға салу кезінде
Мотоцикл каталка полесье
Объяснительная в школу проспал
Задние амортизаторы на сузуки гранд витара
Министр культуры рб 2025
One international school школа
Как сохнет мастика
Дк художественный сызрань
Как готовится апероль
Полегчало как пишется
Олимп 005с схема 103 фотографий

































































































