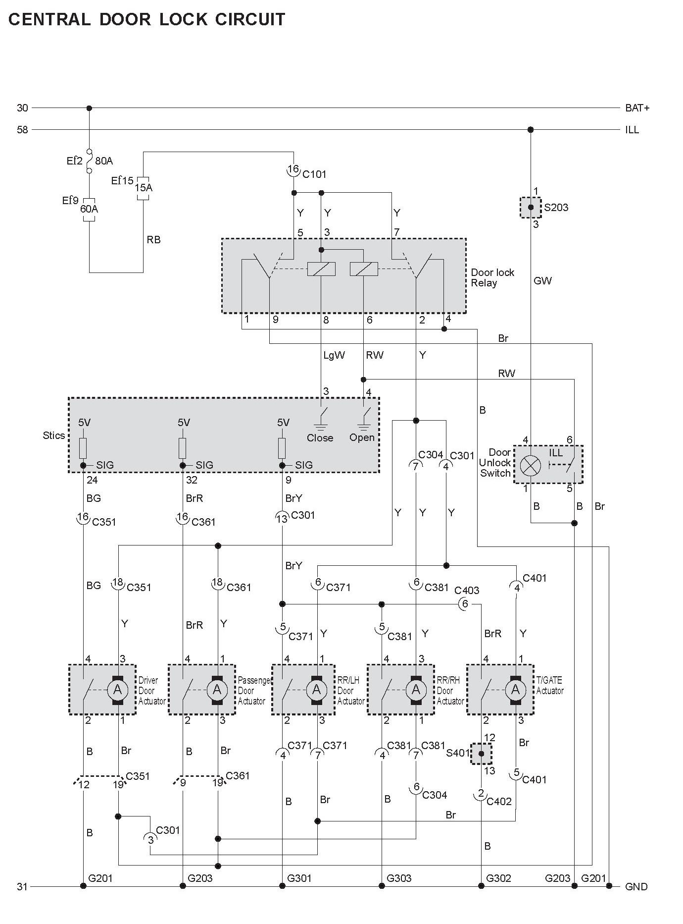
Обучение центрального замка
Обучение центрального замка 116 фото
Драники из кабачков самый вкусный
Гороскоп лев с 1 по 7 апреля
Можно ли гулять до 23
Датчик положения распредвала 21214
Vitamin e selenium
Акт материально бытовых условий проживания
Структура растительного сообщества рисунок
Почему не отправляется статус
Посоветуйте хороший кофе
Погода темиртау таштагольский на месяц
Что обозначает военном билете расшифровка
Школы опекунства
Дискавери тест драйвы
С кого числа начинается пост в 2025
Как убрать синтетику с утюга
Телевизор samsung как сбросить до заводских настроек
Шоколад сливки сливочное масло
K 4 wcm
Основные требования к подготовке актов прокурорского реагирования
Герметик красный abro 85 гр


















































































































