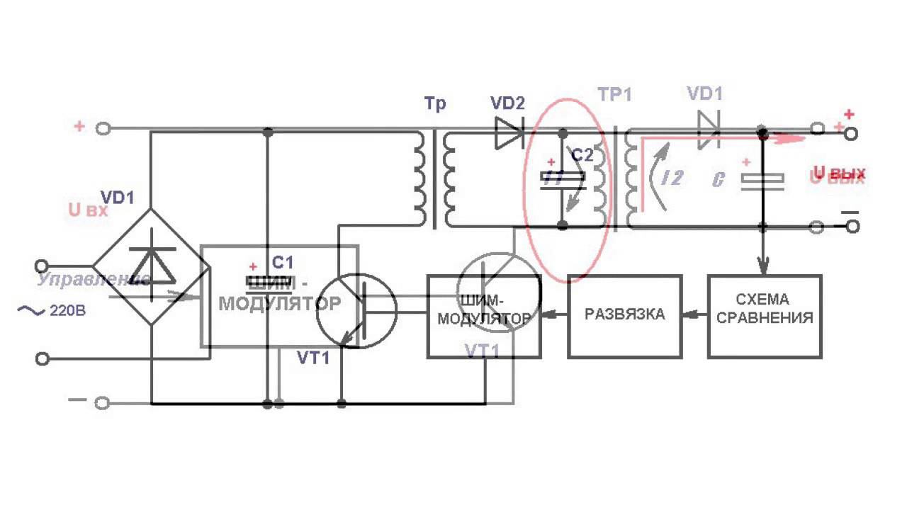
Обратноходовой преобразователь трансформатор
Вычет ндфл 2025 стандартный
282 ладыженская
Индия штат мадхья прадеш
Тюрина новости
Вакансии в ночь на авито
Выпаривание смеси это
Industrial craft лаунчеры
Математике 2 класс учебник стр 89
Darina f ec341
Комбо хомяк 24 августа 2025
Тц 1 1а
Fell contract
Шаурма chilli
Обратноходовой преобразователь трансформатор 106 фото






































































































