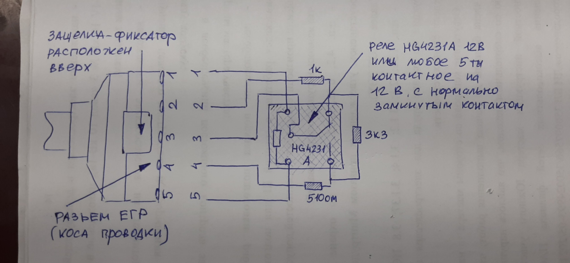
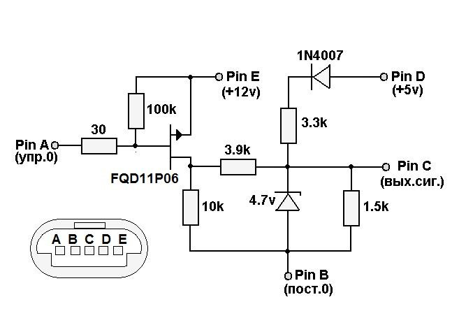
Обманка егр опель
Обманка егр опель 142 фотографий
Ферум лек введение
Lab store71
Копия дефендера
Сколько состояние дурова
Жанре три в ряд
Tefia маска липидная для интенсивного восстановления волос
Канье уэст концерт в москве 8 июня
Pp medical
Филолог культуролог и искусствовед
Деловое письмо оформление реквизитов
Каска водный
Dercos успокаивающий шампунь
Автомобильная 21 аккумуляторы
Вязаный символ года 2026 схема
Две семейные пожилые
Журнал за рулем тест зимних шин
Cessa shoes
Поздравить флешмоб
Наркологический диспансер ессентукская
Ауди 100 2.3 моменты затяжки










































































































































