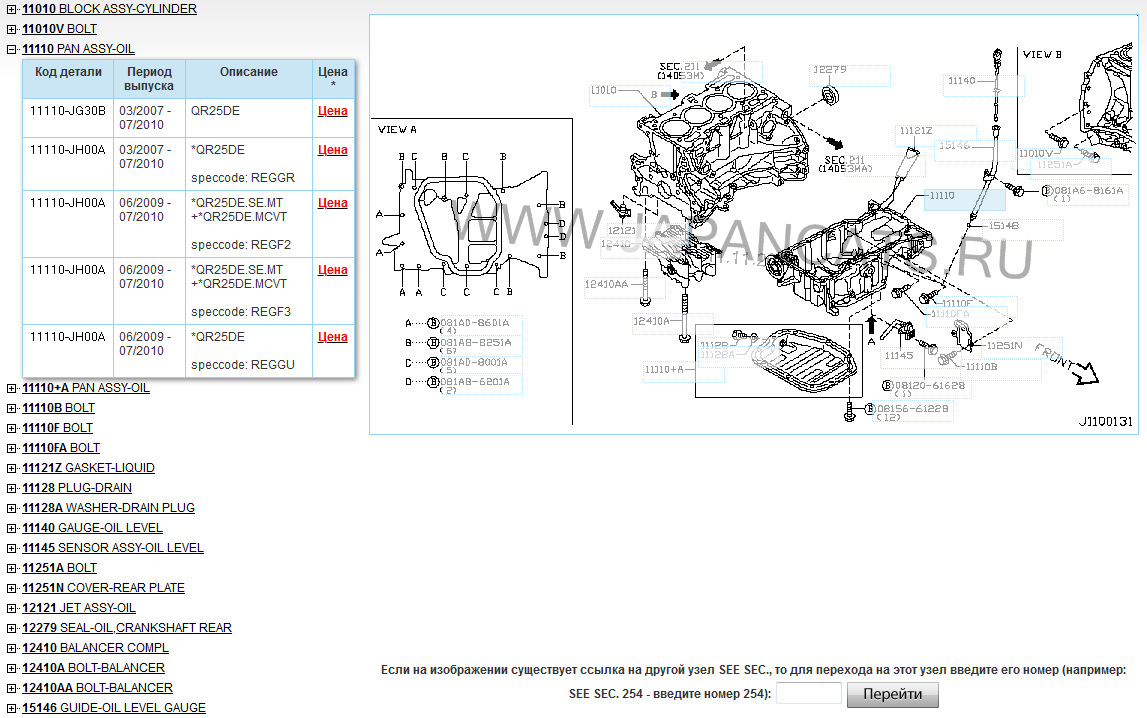
Объем масла qr25de
Газоблок ростов на дону производитель
Крепления для лыж nnn коньковые
Элеутерококк инструкция таблетки для женщин
Инновационная деятельность дошкольного учреждения
Перевести литры в тонны дизтопливо
Дело техники головка 16
Москва внуково павелецкий вокзал как добраться
Таро муха
Полоскать горло солью пропорции взрослым
Шамбала адлер
Обычный вентилятор напольный
Клесты изложение 3 класс текст
Рекуператор спб
Объем масла qr25de 119 фото

















































































































