Nylon 12 Carbon Fiber

👉🏻👉🏻👉🏻 ALL INFORMATION CLICK HERE 👈🏻👈🏻👈🏻
Real Parts. Real Solutions. Real Simple.
Materials > Materials > Nylon 12 Carbon-Fiber
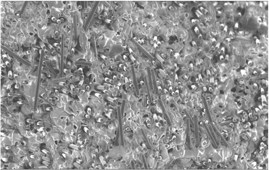
FDM Nylon 12CF is a thermoplastic that is reinforced with carbon-fiber to deliver one of the strongest FDM (fused deposition modeling) materials on the market. It combines Nylon 12 resin and chopped carbon-fiber to deliver tremendous durability and flexural strength. FDM Nylon 12CF has the highest stiffness-to-weight ratio of any FDM thermoplastic, and it has the structural characteristics required to replace metal tooling. No matter how demanding your production environment is, FDM Nylon 12CF provides the strength and durability that you need to streamline your design, testing, and tooling processes.It is compatible with the SR-110 soluble support material which enables easy support removal. Click here to see a case study about how using Nylon 12CF in all stages of the manufacturing process has been a complete game-changer for Utah Trikes .
FDM Technology is the state-of-the-art process that leverages the same plastics used in CNC machining, injection molding, and other manufacturing processes. Click here to find out more about other FDM materials that are bio-compatible, UV-resistant, and opaque or translucent. FDM Nylon 12CF brings the beneficial characteristics of carbon-fiber to 3D printing, adding new capabilities to our FDM portfolio with its incredible strength relative to its weight.
This prototype pedal assembly and test fixture is made from FDM Nylon 12CF, combining FDM Nylon 12 and 35% by weight chopped carbon fiber.
FDM Nylon 12CF can be used for any application that requires strong, but lightweight, tooling including the recreational manufacturing industries, automotive, aerospace, and industrial environments. It is available in black and is capable of 0.010” layer thickness.
FDM Nylon 12CF is compatible with the easy to use Fortus 450mc 3D printer . The Fortus 450mc makes 3D printing easy enough that anyone in your office can manage the printing process with no waste and no messy materials. This system uses state-of-the-art technology, but it is easy to operate. There is no need for special facilities because the Fortus printing process doesn’t produce fumes that require additional ventilation.
Click to read an Interview with Zehavit Reisin, VP, Head of Rapid Prototyping Solutions, Stratasys: “ Your Questions about FDM Nylon12 Carbon-Fiber Material Answered .”
There are no upcoming events at this time.
Copyright © 2021 Prototyping Solutions , all rights reserved. Web Development by Infomedia
Prototyping Solutions
1-888-220-6293 | Fax: 205-987-7460
2076 Valleydale Terrace, Birmingham, AL 35244
Privacy Policy | Return Policy | Terms & Conditions
Главная
Расходные материалы
Nylon 12 Carbon Fiber
Пластик для 3D печати Nylon 12 Carbon Fiber - это угленаполненный термопластик с отличными механическими характеристиками. Материал состоит из смеси Nylon 12 и измельченного углеволокна. Эта комбинация производит один из самых прочных термопластиков в линейке FDM от Stratasys.
Материал Nylon 12CF™ использует материал поддержки SR-110™ и доступен для использования только на 3D принтерах Fortus 380mc и Fortus 450mc .
1.9% (по осям XZ)
1.2% (по осям ZX)
75.6 MПa (по оси ХZ)
34.4 MPa (по оси ZX)
142 MPa (по осям XZ)
58.1 MPa (по осям ZX)
310 Дж/м (по осям XZ)
85 Дж/м (по осям XZ)
85 Дж/м (по осям XZ)
21.4 Дж/м (по осям ZX)
Наши специалисты ответят на любой интересующий вас вопрос по товару
© 2015-2020, Jetcom
129336, Москва, ул. Стартовая, д.13, стр.1
https://prototypingsolutions.com/materials/nylon-12-carbon-fiber/
https://www.jetcom-3d.ru/materials-for-3d-printers/nylon12cf/
Photos Of Young Naked Girls Nude Models
Porn Hd Taylor Swift
Sex Foto Mom Lingerie
Nylon 12 Carbon-Fiber - Prototyping Solutions
Купить Nylon 12 Carbon Fiber - угленаполненный ...
FDM Nylon 12 Carbon Fiber Data Sheet - Stratasys
FDM Nylon 12 Carbon Fiber: Highest Flexural Strength of ...
Interfacial enhancement of carbon fiber/nylon 12 ...
New Nylon 12 Carbon Fiber Material for 3D Printing - IEN
MakerBot Nylon Carbon Fiber Material for METHOD
MakerBot METHOD Nylon 12 Carbon Fiber Filament Black ...
Carbonyte [Nylon 12 & Carbon Fibre 1.75mm 3D Printer ...
PlastiComp Complet LCF30-PA12 Product Data Sheet – 30% ...
Nylon 12 Carbon Fiber






























































































