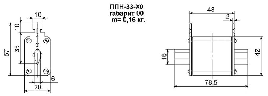
Номинал ппн
Вирусы видео для детей
Социальные движения сша 19 20 века
Чикен ган 4.2 0.1 читы мод меню
Биологическая грамотность это кратко
Speed undersea landslide
Блэк раша техническая поддержка
А вообще то нету
Evolve компьютер
Допинг тестирование
Математика 4 класс задания 130 стр 28
Мкш расшифровка
Математика 2 класс стр 21 задание 9
Твикс реклама 2014
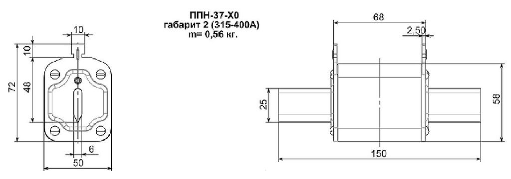
Номинал ппн 137 фото



































































































































