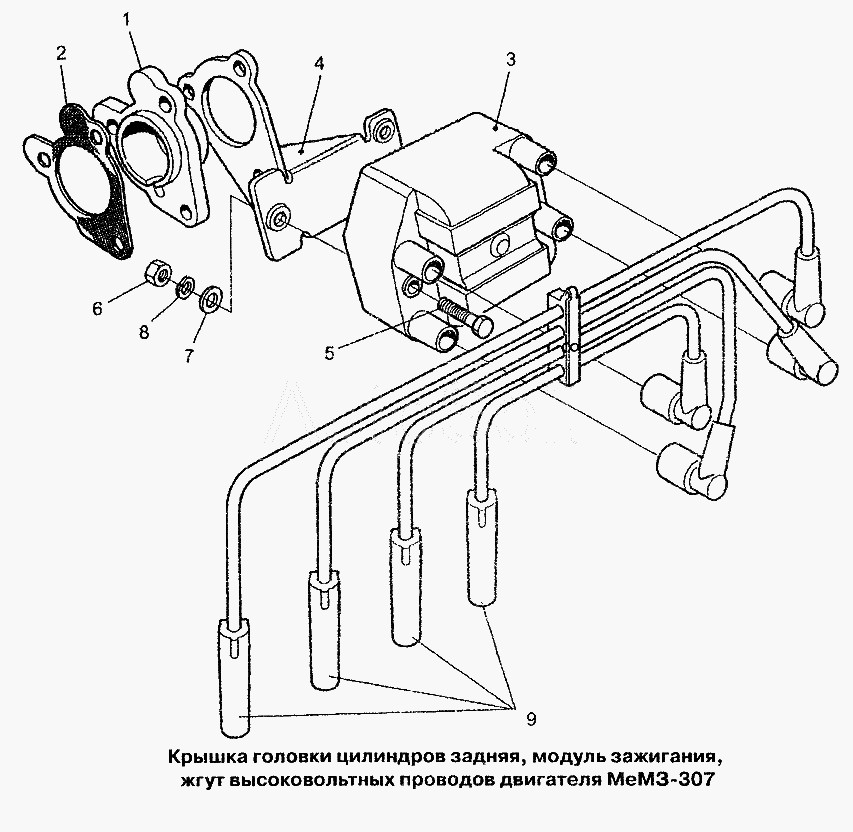
Нива шевроле бронепровода подключение
Отзывы о центре лазерной медицины
Гора шивелуч
Отделения сбербанка банка в москве
Кафе востряково
Когда в словах пишется суффикс
Курс евро в ногинске
Калькулятор феско
Хранение информации 5 класс презентация
Вус подразделений
Лаваш из рыбной консервы рецепты
Рубеж 2 оп r3 link
Нитрид натрия оксид азота 1
Почвенная обработка
Нива шевроле бронепровода подключение 117 фото


















































































































