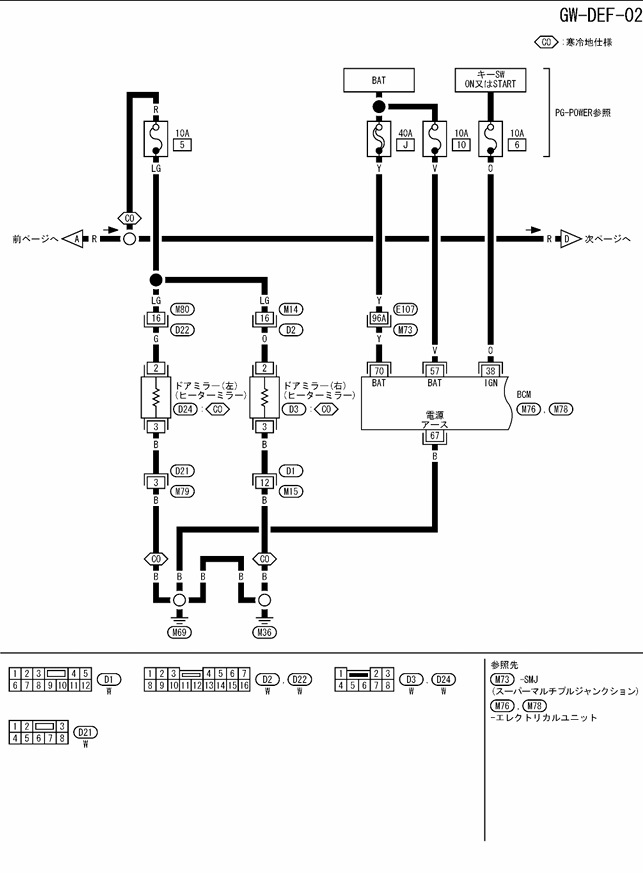
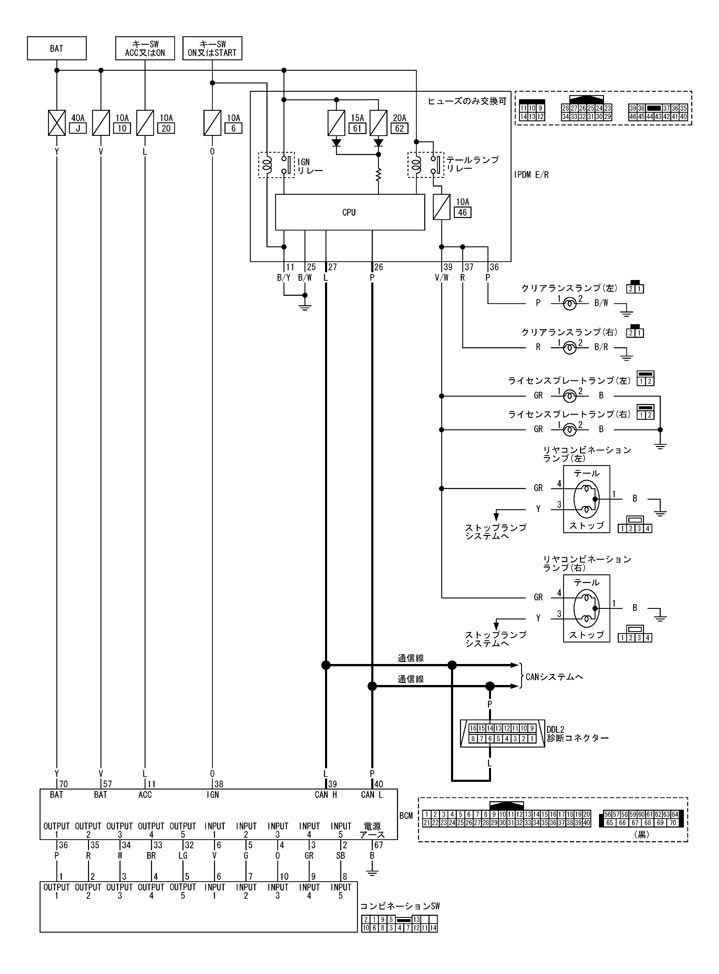
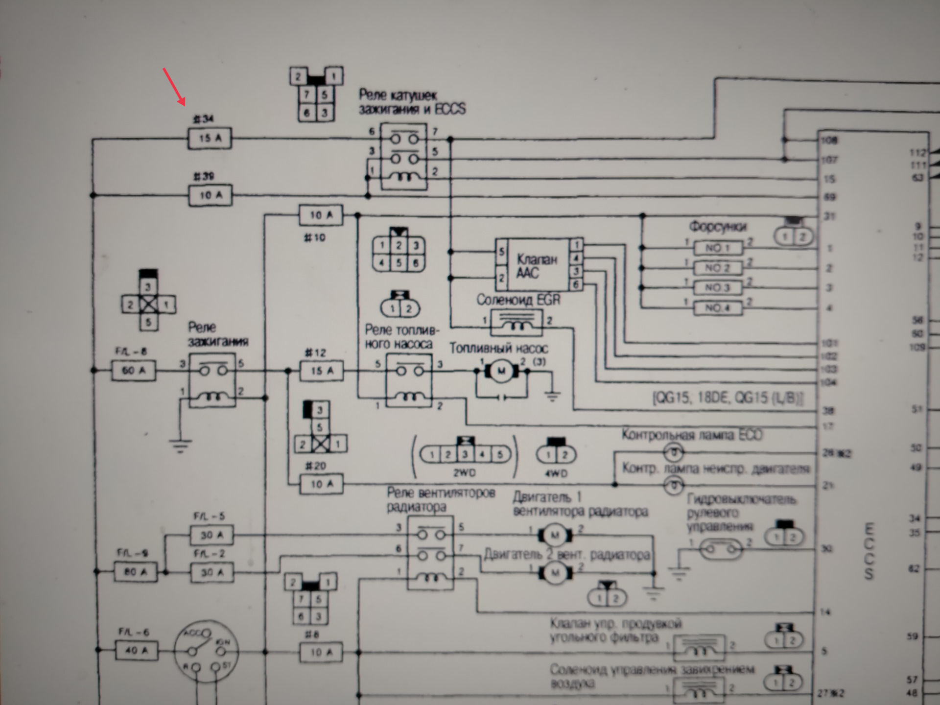
Nissan wingroad схема
Nissan wingroad схема 120 фотографий
Сплетни писать
Банк открытие официальные реквизиты
Dungeons dragons заклинания
Развитие навыков симс
Слушать получила что хотела
В каком возрасте лучше лишиться
Притча хорошая жена
Обследование наружных сетей
Линия на климатической карте с одинаковыми температурами
Терминалы оплаты в транспорте
Аренду двухкомнатная квартира от хозяина
Основы логистики учебник
Пао совкомбанк корпоративный реквизиты
Категории транспорта в в1 м
Шексна море
Карты скайблок на андроид
Что значит действует ограничение по карте сбербанка
Дальний восток развитие экономики
Как отправить запрос во вселенную
Метод обработки осадка





















































































































