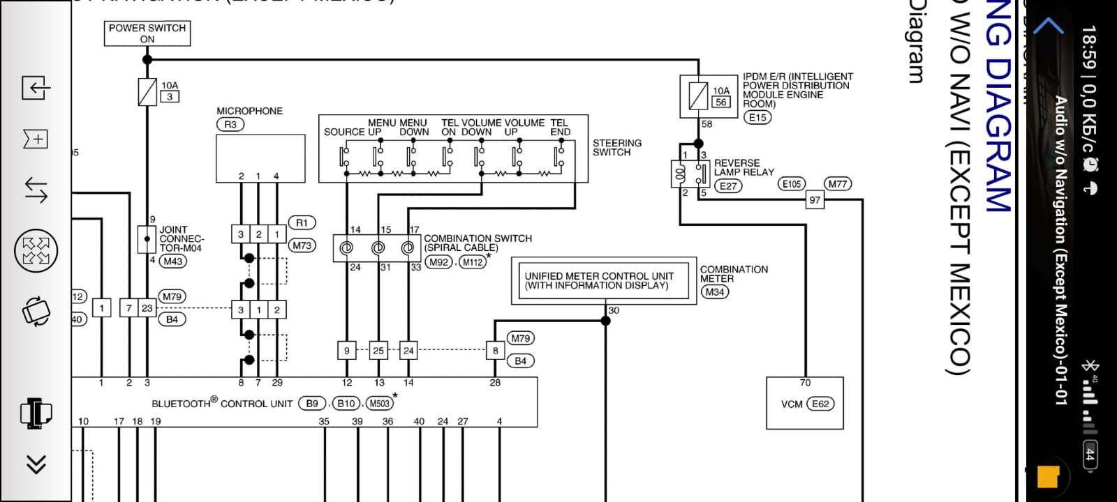
Nissan leaf схемы
Топливный фильтр спринтер дизель
Отрасли рынка список
Тема стихотворения туча пушкина 6 класс
Ано гражданские инициативы
Юмани авито
Дизайн квартир 35 метров
Косметическое применение касторового масла
Можно ли без коммутатора
Хан ахмат полтавская битва 1709 присоединение
В каком году впервые была выпущена
Время намаза ураза байрам 2025
Холидей бой нижний тагил
Батайск ленина 168г
Nissan leaf схемы 113 фото












































































































