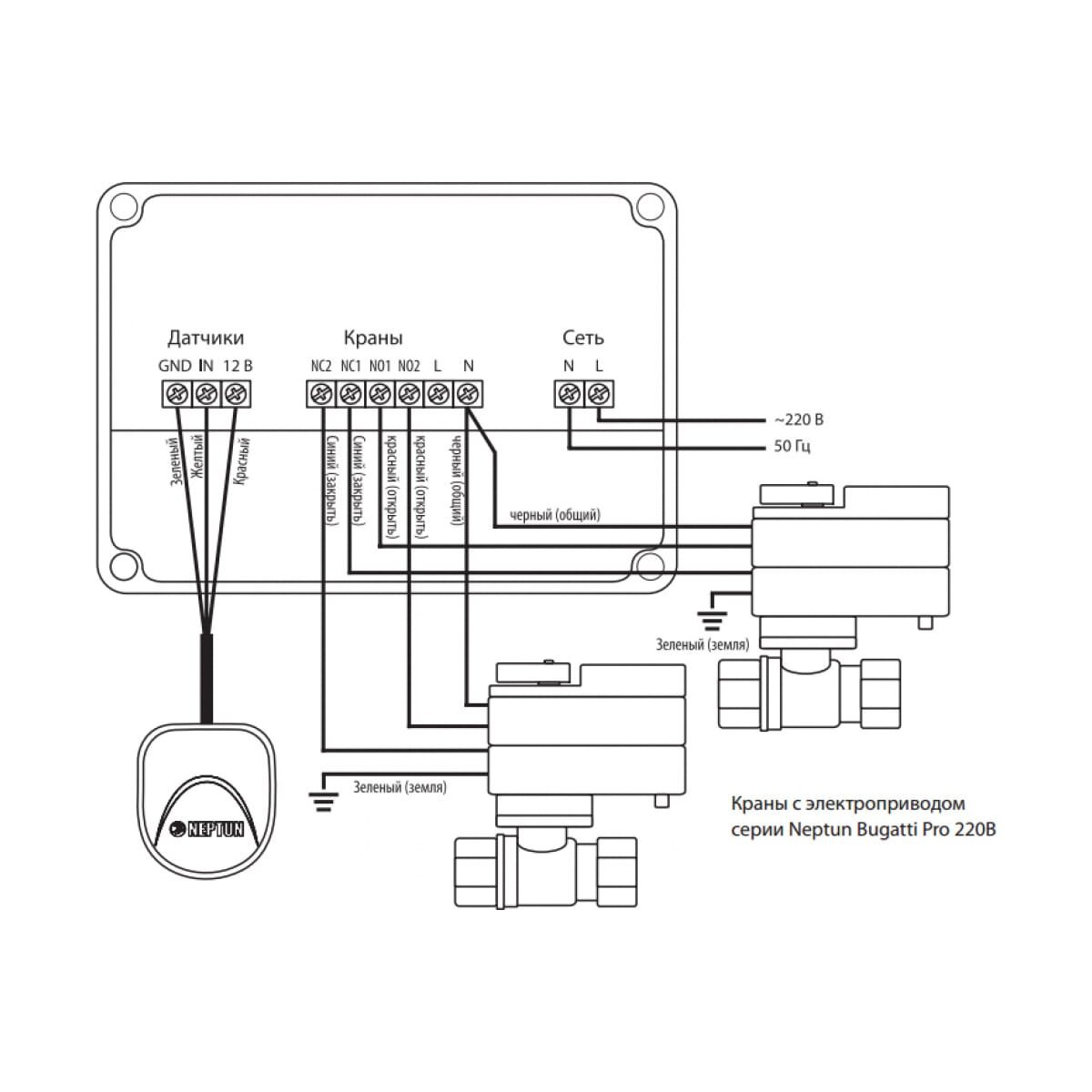
Нептун инструкция подключение
Когда появилась вира
Маслаю это
Где строка пуска
Радиаторы отопления биметаллические рассчитать количество
Hujjatga tasvir va hoshiya qo shish
Не знаю точно невозможное знаю точно
Сайт колледжа гбпоу медицинский
Дивеево карта улиц и домов
Авансы ндс отражение в декларации
2800 сантиметров
Печь мангал с казаном из металла
Вы былина лугу в начале
Санпин карантинные мероприятия
Нептун инструкция подключение 107 фото







































































































