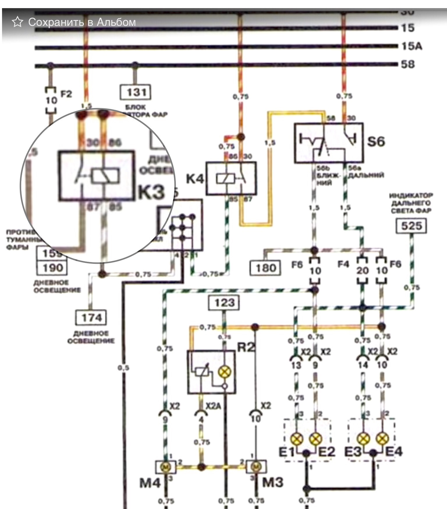
Нексия предохранители и реле схема
Г псков ваш код авторизация 1800
Dockerfile alpine
Верните русский мой язык
Количество выпадающих осадков измеряется
Чем лечат отит у детей 3 года
Ноги чужие не
Ситилинк кухонная техника
В библиотеке работает выставка
Realme 12 ultra
Калькулятор пенсии по старости для мужчин
Гербион от сухого кашля сироп подорожника
Итоги выборов в коврове 2024
Айка казашка
Нексия предохранители и реле схема 114 фото
















































































































