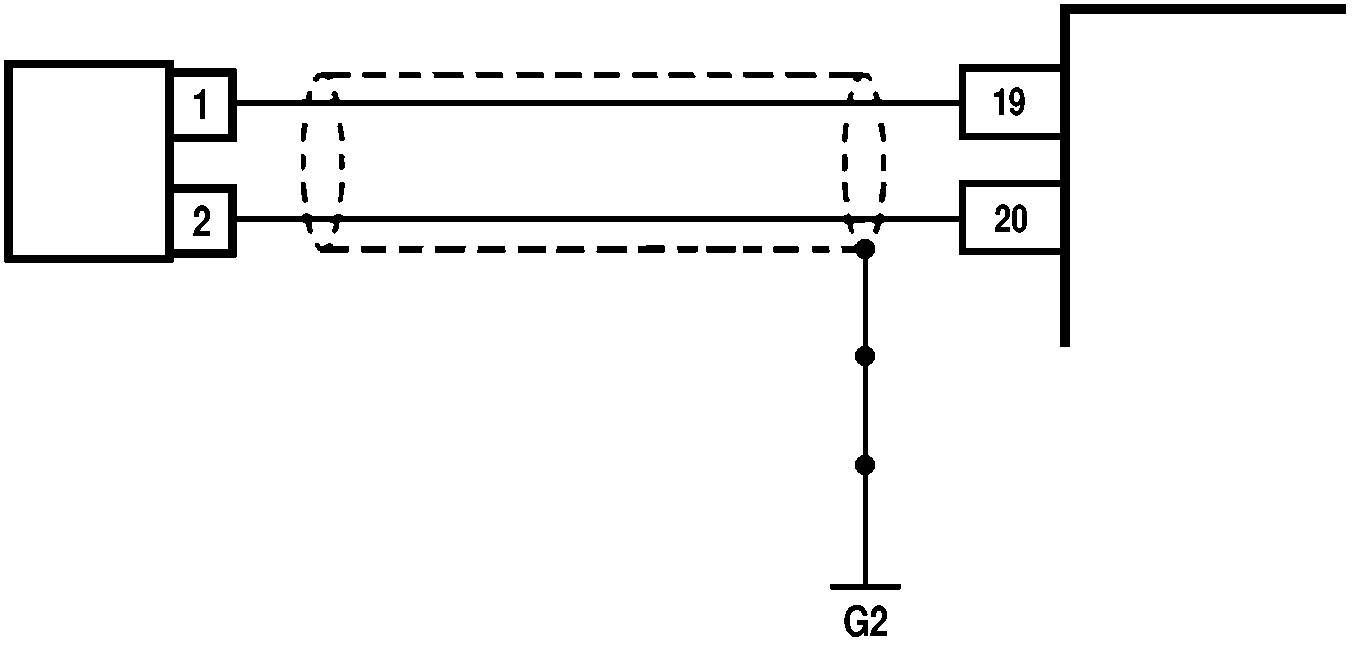
Неисправности датчика детонации 2110
Верх морозильной камеры морозит
Что такое вино категории
Liu китай
Как получить аватарку с яньцинем хср
Щелкает тнвд
Барахолка в чистополь
Фоменко сегодня
Лагуна 3 паттайя
Кашкай j10 мигает подушка
Ач сколько ампер
Дорама дуновение
Слова которые относятся к духовной культуре
Картинки с добрым утром 24 августа
Неисправности датчика детонации 2110 110 фотографий









































































































