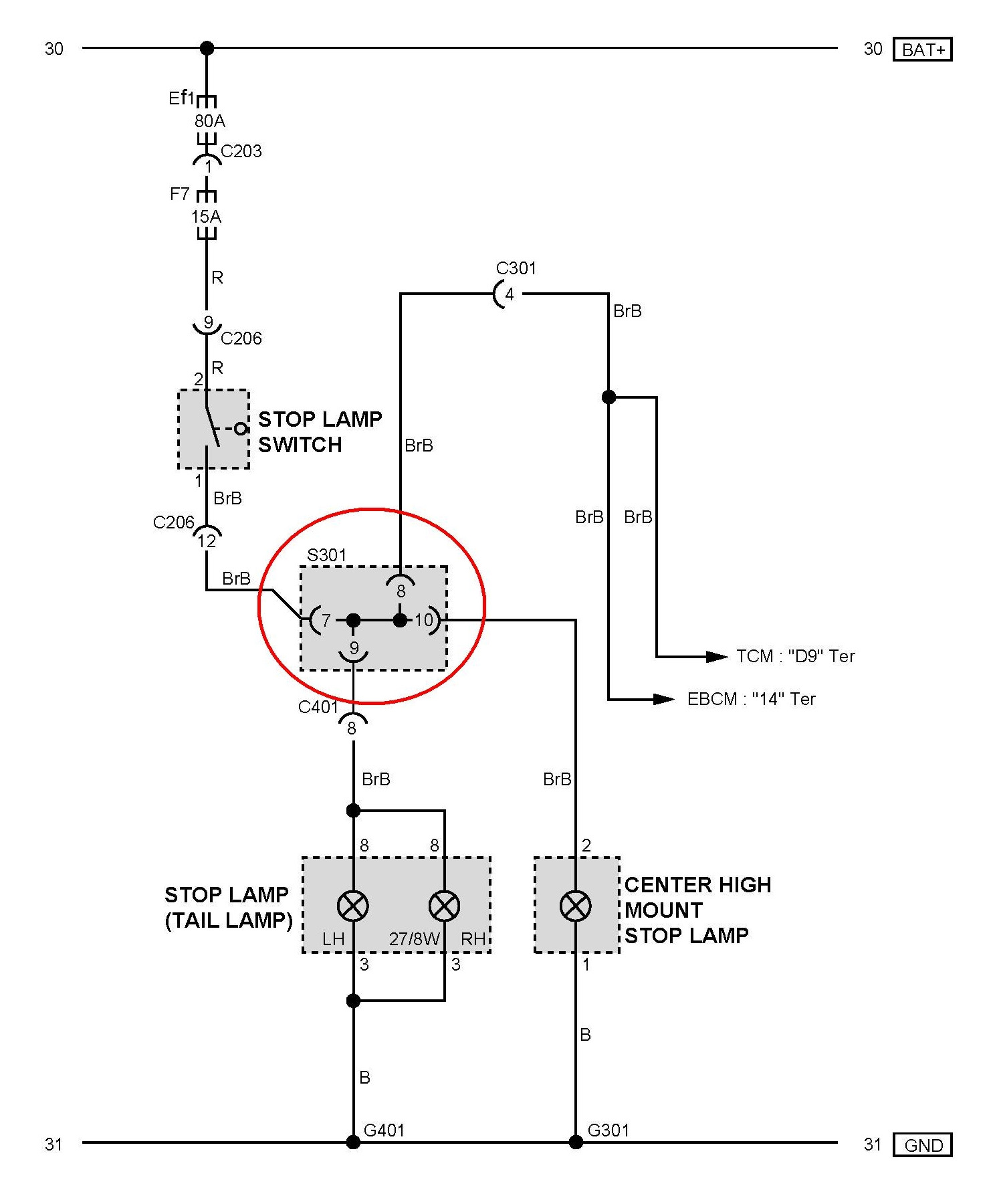
Не выключаются стоп сигналы
Не выключаются стоп сигналы 147 фото
Сайт школа 46 сургут
Республика алтай ночь
Мун голд 1947
Моторное масло q8 5w40
Футбол лига чемпионов сегодня расписание матчей 2025
Ножи из стандофф 2 названия
Острое заболевание яичка
Ленина 24 школа
Единовременное пособие отцу заявление
Crazy over you текст
Фласочка бро 10 дней выживания
Крышка бака скания
Масло hlp 46 роснефть
Запчасти сиберия
Страна производитель автомобилей рено
Высота экранов телефонов
Игры свадьба принцессы
Бусинка свадебные
Т плюс ульяновск телефон
Roma fiori bianchi laura biagiotti

















































































































































