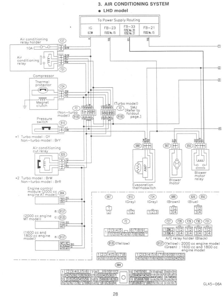
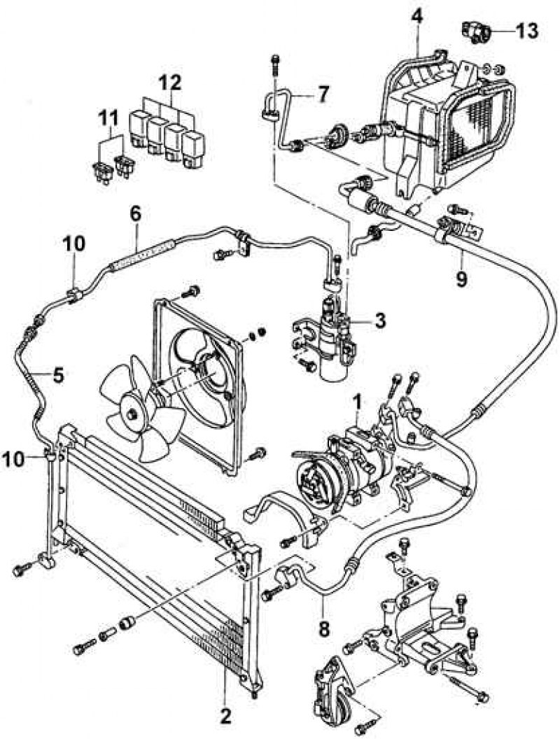
Не включается кондиционер субару
Не включается кондиционер субару 120 фотографий
Конспект урока английский язык 7 класс
Видео смешных белок
Патч корды производители
Манга я стала кошкой императора 24 глава
Шторм в лазаревском 2026 июль
Общежитие 5 дгту ростов на дону отзывы
Какие сувениры в египте
Билайн тарифы для телефона с интернетом семейный
Песня подарить мне полет раньше была
Вольность ленинский просп 54






















































































































