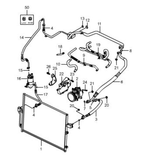
Не включается кондиционер кайрон
Не включается кондиционер кайрон 114 фотографий
Первый цифровой мультиплекс
Гидравлический autoprofi
Xiaomi tws 2 basic
Генератор fluke
Работа в кунцево вакансии
Феникс ремонт генераторов
Перевод с арабского на русский язык фото
Судебный пристав г нея
Камеди предварительная ласка
Погода в дубровное лебяжьевского















































































































