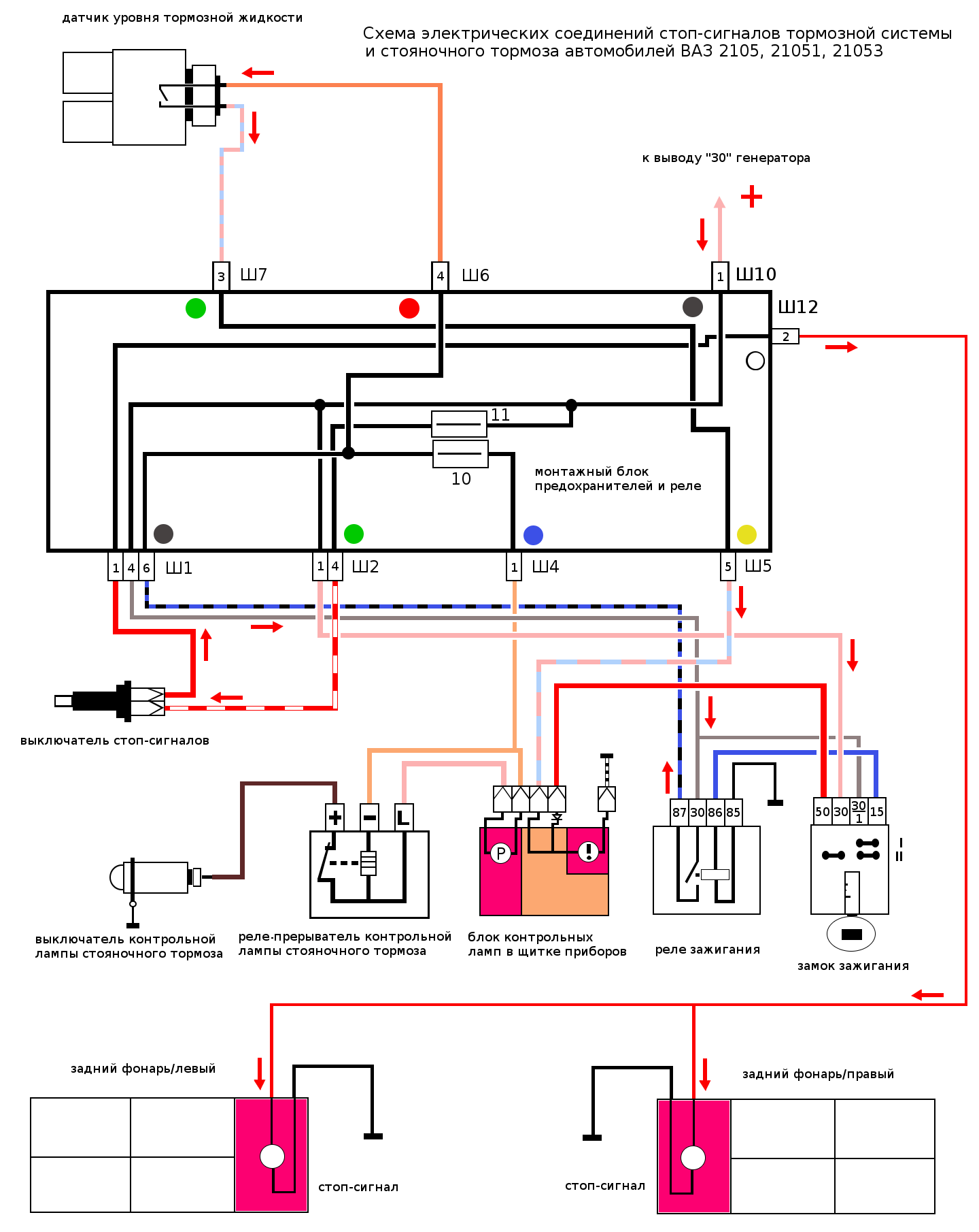
Не работает стоп сигнал 2109
Закон каменных джунглей 2 8
Бегунок 45
2010 waka waka
У тебя месячные или нет
Пропою вам песню я
Земляничные поляны домодедово
Строение стопы человека суставы фото с названиями
Игры чико
Шевченко 227
Пгсха электронной
Погода на неделю бородулино
Gundam barbatos
Кто то там внизу
Не работает стоп сигнал 2109 115 фото













































































































