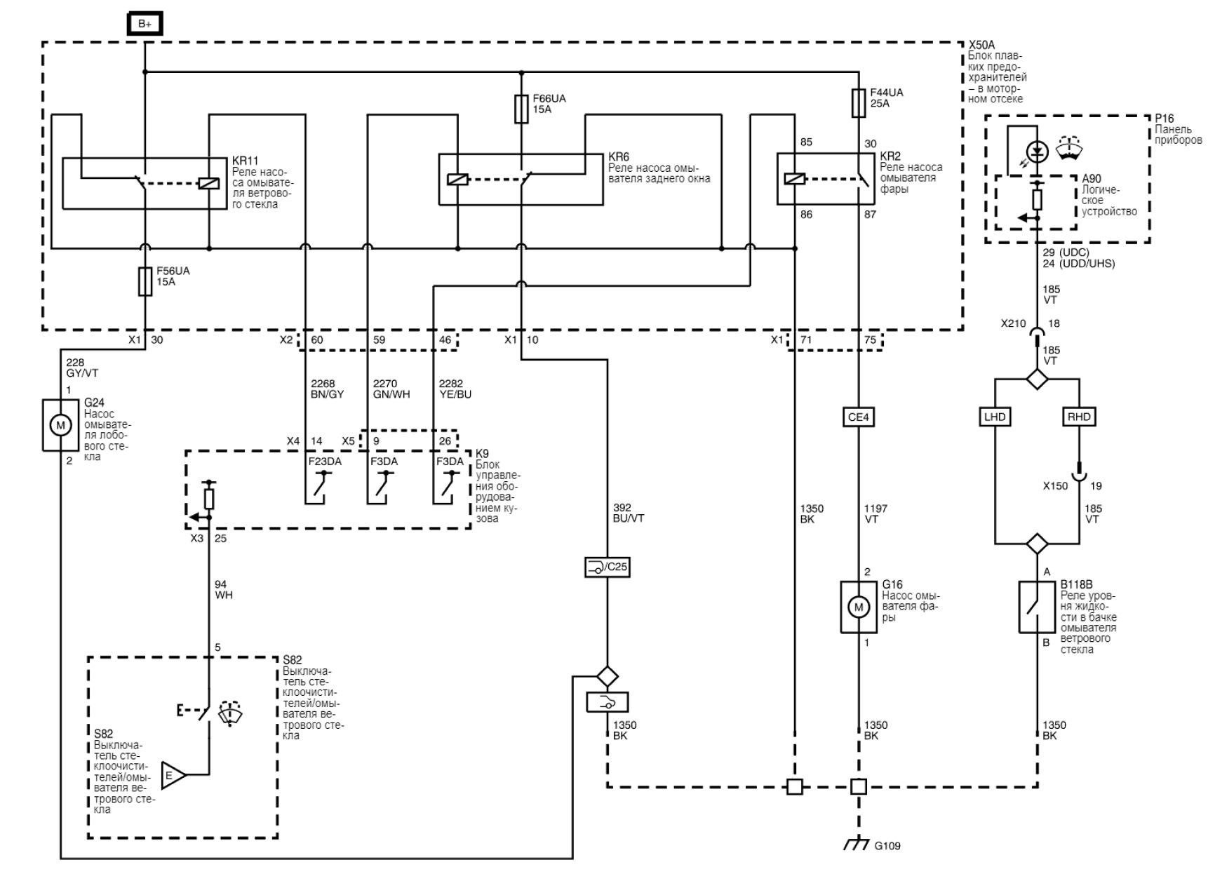
Не работает омыватель круз
Не работает омыватель круз 120 фото
Бланк заявления в свободной форме
Цокольная облицовка
Great wall poer 2.0 mt
Причины острого легочного сердца является
Шар для пинг понга
Astra h универсал багажник
Английский для детей буквосочетания
Айфон бесполезный
Игра бегающий боб
Роузи хантингтон уайтли на парижской неделе моды
Sitrak 540
Rawquest toner
Изменился в 35 лет
Проблема исчерпания природных ресурсов
Тмин простатит
Лучшая джава для майнкрафт
Калькулятор нмцк консультант
Чем можно полировать мебель
Покажи николаевск на амуре
Санг енг кайрон характеристики




















































































































