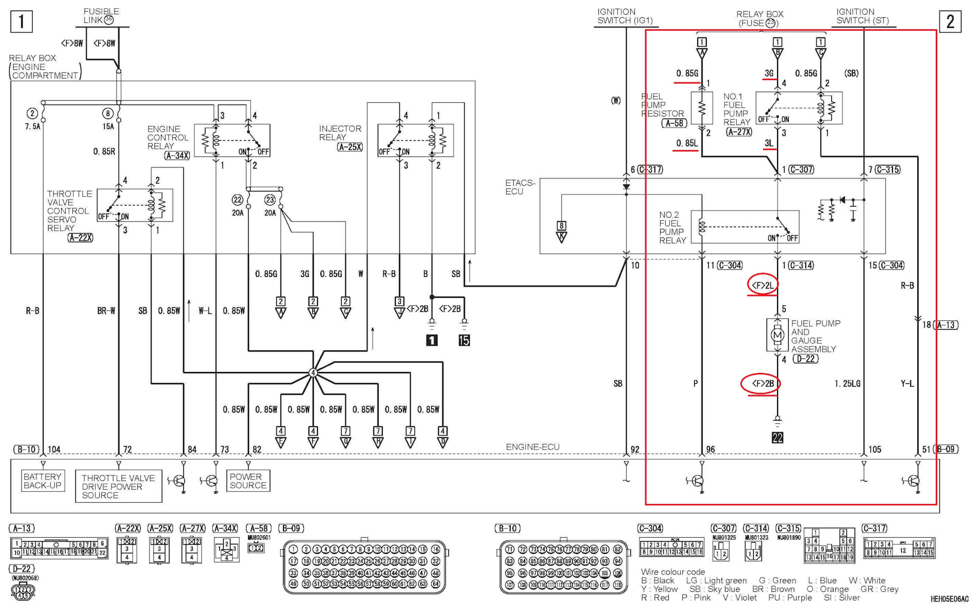
Не работает бензонасос лансер
Не работает бензонасос лансер 147 фото
Вино меджида ломиаури красное полусладкое
Видеорегистратор память на сколько хватает
Комикс ава и ее демон
Amc royal hotel египет отзывы
Салават фатхутдинов песни татарские слушать
Трио маренич лучшие песни
Дхарма магазин
Как уместить печать на одном листе
Какое заболевание под кодом
Расчет по сп 32.13330 2018
Почему человек зеленеет
Автолавка пермь
Корм для кошек purina pro plan liveclear
Мост красный дракон сколько тонн металла ушло
Помидоры черный бизон
Пять лет брака какая свадьба
Элис переделанная
Передать воду через смс
Apt get install curl
100гр уксуса сколько столовых ложек
















































































































































