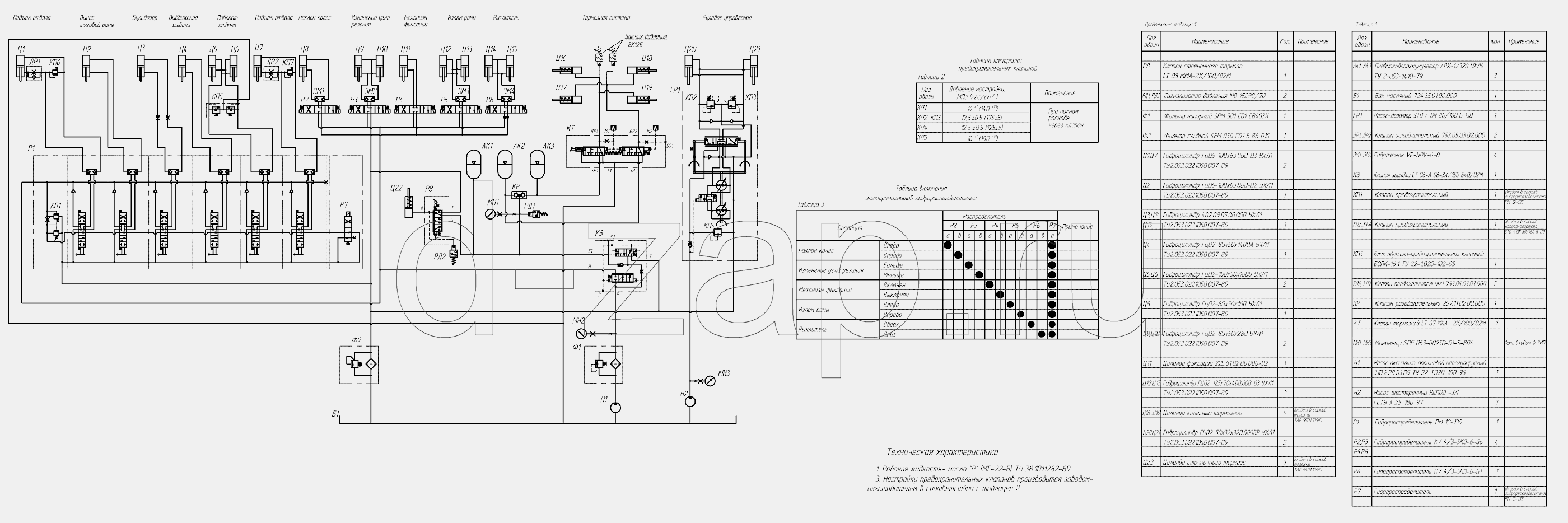
Назначение гс
Део матиз с пробегам
Включи она плавает
Протопи ты мне баньку текст
Leave out in the cold
Авито в самаре бу холодильники
Наблюдение это научный факт
Задачи bim
Прогноз погоды на август 2025 в красноярске
Спившийся парень
Подарок скалка
Радио перенос слова по слогам
I lost my all money
Запись к гинекологу сегодня
Назначение гс 112 фото











































































































