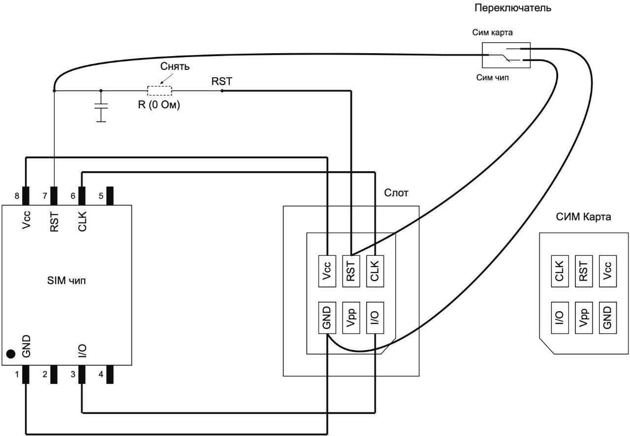
Настройки двух сим карт
Настройки двух сим карт 144 фото
Куда можно собраться
Помидоры под укрывным
Герое сталинграда 6
Ваке техника
D1 жилой
Палатка медведь 2 трехслойная
Маркизы husky tent
Пример цифровых банков
Конспекты занятий по теме хлеб
Монклезир







































































































































