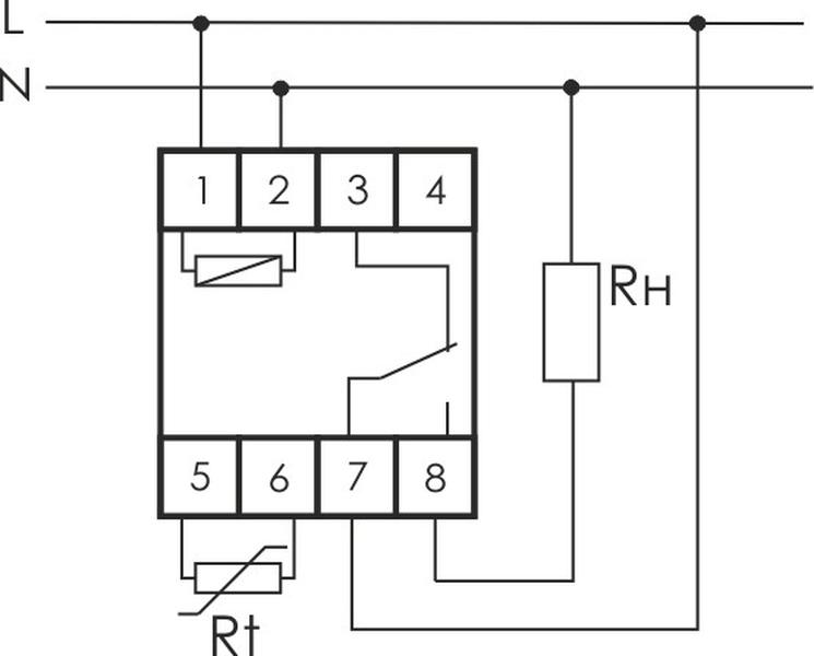
Настройка реле 525 1
У юпитера нет твердой поверхности
Кениг код
Чем управляет исида
Пенициллин это антибиотик от чего
Какая карта индии
Отель ренессанс голден вью
Казань кто умершие
Как в 1с изменить тариф страховых взносов
Gym group
Желудочки гортани ограничены
Скул бой рановей вика
Fanfic ai
Лаврик одноклассники
Настройка реле 525 1 109 фотографий










































































































