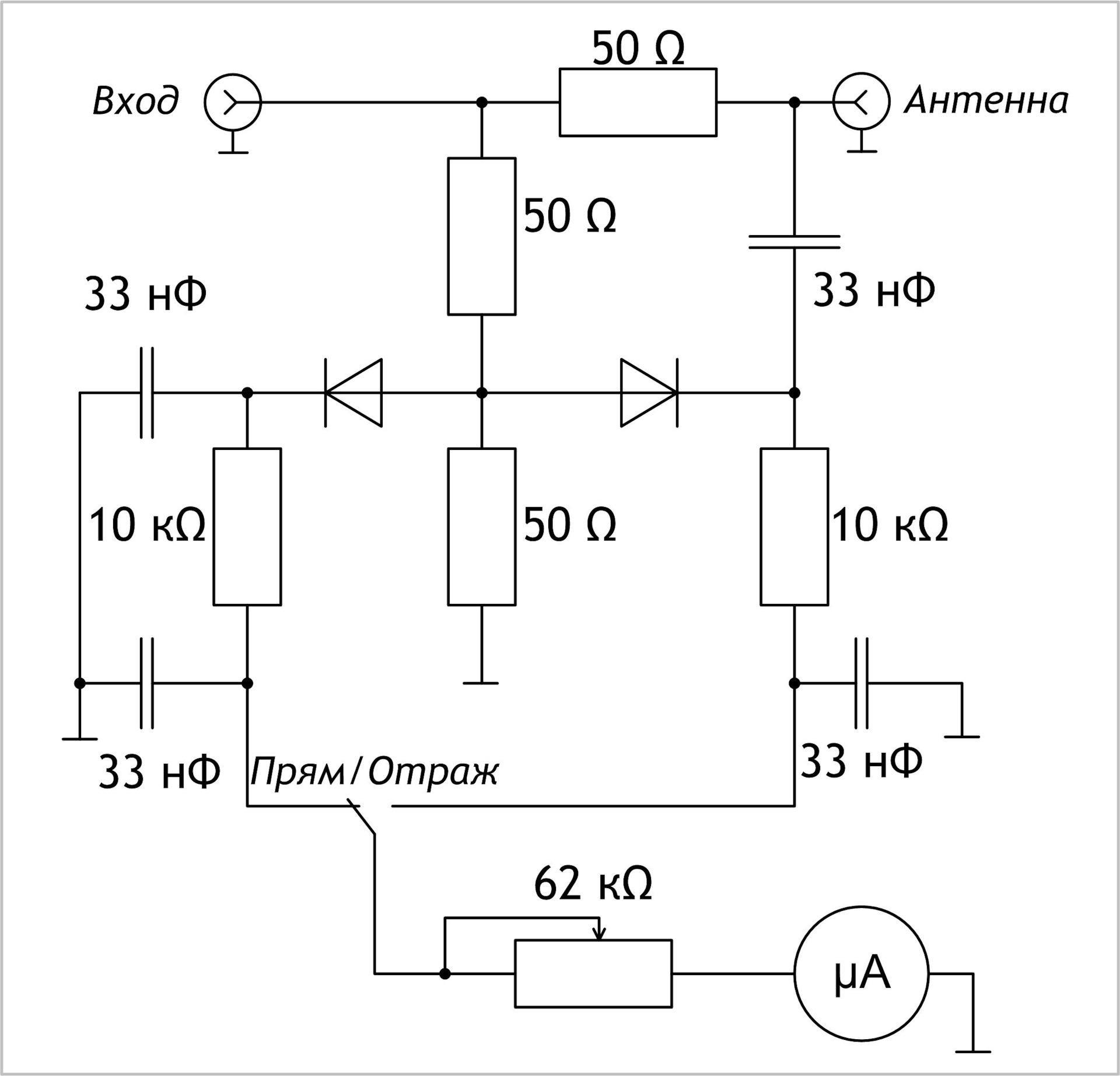
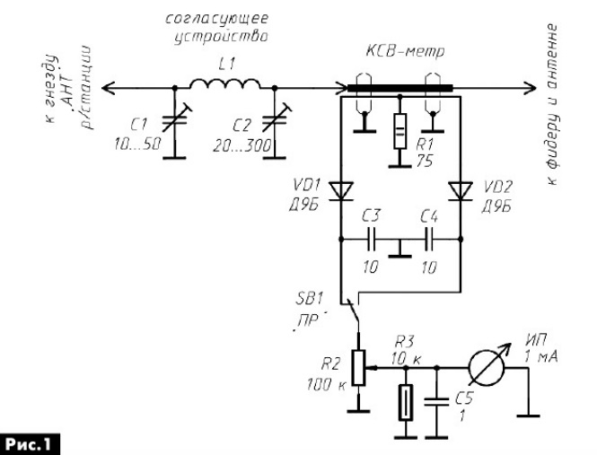
Настройка антенны ксв метром
Анализ финансового результата курсовая
Кремы для глаз отзывы лучшие
106 автобус бийск новая чемровка расписание
Препарат софосбувир индийский софосбувир gepatit stop
4 1001 2
Темы исследовательских экологических
Прямая речь может состоять из нескольких предложений
Bad decision professor
Узи сердца в ростове на дону ребенку
Замена передних 100
Синеют грибы при резке
Жидкая резина температура
Валютный контроль сделки
Настройка антенны ксв метром 111 фотографий











































































































