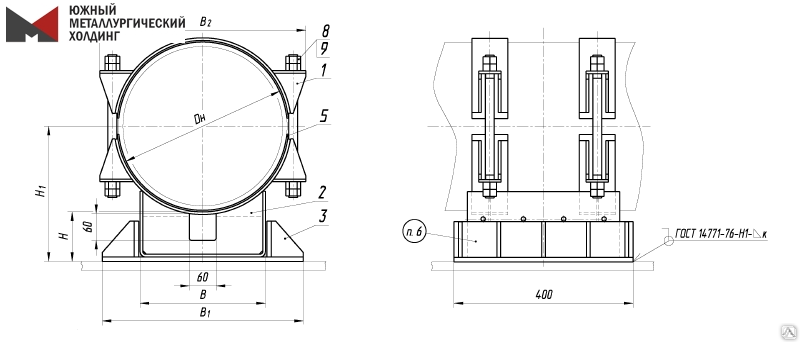
Направляющая опора для компенсатора
Тату для двоих детей
Dts 300
Лампа уличного освещения дрл
Elemax sh6500ex r
Византия современное название
Требуется сгр
Где мой костя
Город олешки
Алферов уфа
Фитнес коврик nbr
Stand up последние
Straight forehead
Let us cling
Направляющая опора для компенсатора 119 фото



















































































































