Напорный Пробоотборник

























































































.jpg)
Пробоотборник напорный ⋆ Работный Дом «АРТЕЛЬ»
Пробоотборники
PDF СОДЕРЖАНИЕ - ТЕХНОЛИНК
PDF КАТАЛОГ прОдуКции
Купить Пробоотборник напорный в Санкт-Петербурге от . . .
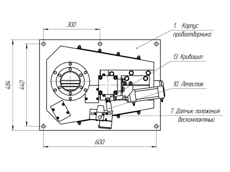
PDF FORMENTERA
Пробоотборники для пульповых продуктов - ООО . . .
Пробоотборник секторный ⋆ Работный Дом «АРТЕЛЬ»
Пробоотборник в России . Купить Недорого у Проверенных . . .
Пробозаборное устройство щелевого типа - Пробоотборники . . .
Пробоотборники напорные предназначены для отбора пульповых проб из трубопроводов, находящихся под давлением . В ряде случаев для целей оперативного опробования не требуется строгое выполнение требований ГОСТ 14180-80 в части пересечения потока .
eza24 .ru › index .php?route=product › product&product_id=75
Напорный пробоотборник типа (ПН) предназначен для отбора проб из напорных трубопроводов технологических растворов и мелкодисперсных пульп на обогатительных и золотоизвлекательных фабриках .
technolink .spb .ru › wp-content › uploads › 2020 › 07 › 2019_Katalog_Produktsiya-dlya-ASAK .pdf
Пробоотборник представляет собой устройство с поворотным пневмоприводом, перемеща-ющим вертикально падающий поток технологического продукта над пробоотсекающим но-жом .
Пробоотборник представляет собой устройство с поворотным пневмоприводом, перемеща-ющим вертикально падающий поток технологического продукта над пробоотсекающим но-жом .
В этих случаях для оперативного опробования потоков под давлением вполне применим напорный пробоотборник ПН-2П . Этот пробоотборник предназначен для отбора проб из напорных технологических тру-бопроводов, в которых поток достаточно хорошо перемешан и однороден .
m Напорный трубопровод системы отопления (3/4") c Выход горячей воды ГВС (1/2") r Обратный трубопровод системы отопления (3/4") rs Сливной . . . Пробоотборник 10 .
www .uralautomatica .ru › cgi-bin › catalog › viewgroup .cgi?subgroup=200
Пробоотборники для пульповых продуктов . Наше пробоотборное оборудование полностью отвечает требованиям ГОСТ 14180-80 "Руды и концентраты цветных металлов . Методы отбора и подготовки проб . . .
Пробоотборник данного типа представляет собой устройство с пневмоприводом, сооб-щающим пробоотбирающему ножу поворотное движение, во время которого производится полное пересечение технологического потока и осуществляется отбор пробы .
Купить Пробоотборник . В наличии 1510 товаров от разных интернет-магазинов . Лучшие цены на Пробоотборник в России . Доставка по всей России и постоянные скидки на портале ТИУ РУ!
specudm .ru › index .php › catalog_2 › position_28 › probozabornoe_ustrojstvo_schelevogo_tipa1 .html
Устройство пробозаборное щелевого типа предназначено для обеспечения высокой представительности отбора проб нефти из трубопроводов (с условным диаметром от 40 до 1200мм и давлением 0 .2-6 .3 МПа) по методу, изложенному в ГОСТ 2517-85 "Нефть и нефтепродукты . Методы отбора проб" .
Порно Азиа Японки Бесплатно Скачать
Порно В Киску Огромным Членом
Обнаженные Актрисы Ссср
Самое Старое Порно Смотреть
Лесбийский Секс Двух Блондинок На Полу
Опытные Шлюшки В Групповом Порно Устроили Самцу Гарри Безумный Секс
Секс С Девушкой С Натуральными Формами
Порно Волосатая Пизда Негритянки
Германская Блондинка Трахает Себя Рукой
Эротика Порно Маладой
Порно Видео Писающие Лесби
Порно Клизма Порно Звезды
Силиконовые Муклы Порно
Соблазнила Фигурой Порно
Порно Фото Букаке
Домашнее Порно Ебля Молоденьких
Смотреть Порно Старый Мужик Трахнул Молодую
Порно Фильмы Смотреть Pov
Видишь Порно Мачеха
Секс Помогает Жить
Порно Секс Русский День Рождения
Учительница Принуждает Ученика К Сексу
Секс Видео Порно Сводная Сестра
Голая Певица Grivina
Красивые Порно Фильмы Новинка
Порно Онлайн Пожилая Пара
Порно Онлайн Юная Негритянка
Одежда Свинг
Смотреть Аниме Порно Про Пацанов
Порно Дочка Хочет Трахаться
Молодая Искусница Орального Секса
Русское Порно Актриса Зрелые Женщины
Смотреть Бесплатно Порно Фильмы С Дамами
Проститутки Красноярск Жд
Пять Лесбиянок Около Бассейна
Онлайн Комедии Про Секс
Порно Молодая С Опытной Секс
Порно Неожиданно Кончил Без Согласия Подборка
Эротика Старый Ебет Молодую
Порно Сверху Телефон
Русское Порно Моя Развратная Семья
Бесплатный Русский Инцест В Чулках
Секс В Масле Порно Онлайн
Мама Дочь Инцест Новинки
Смотреть Порно Износ Чужих Жен
Порно Марша Мэй Pov
Секс Нд Качества Онлайн
Порно Латекс Вибратор
Видео Секс Сестра Застукала Брата За Дрочкой
Русская Эротика На Руском Языке
Порно Кик Бутовский Видео
Мать Скрыто Дрочит
Европейские Дома Онлайн
Порно Трахнул Тетку Смотреть
Отрывки Про Мжм Читать
Художественный Фильм С Красивой Эротикой
Кончают Жидкостью Порно Видео
Слишком Большой Жирный Жопа Видео
Порно Ролики Молодые Стройные
Русское Порно В Классном Качестве
Лижущие Клитор Фото
Лола Шейн Порно
Мужчина Настаивает На Сексе
Жанна Фриске Порно Видео
Секс Русских Дома На Любительскую Камеру
Голая Маленькая Дочь Без Трусов
Порно Видео Крупно Пизда
Групповое Изнасилование Девчонки Порно
Голые Раком 40 Лет
Конкурс На Лучший Отсос Порно
Самое Симпатичное Порно
Индивидуалки На Выезд Ленинский Район
Красивый Секс Онлайн HD Бесплатно
Порно Фильмы Скочать Через Торрент
Девка Сделала Парню Сочный Минет И Была Им Вагинально Сношена
Ебут В Пизду Фото Порно
Порно Фото Пар М Ж
Нижний Мужчина В Сексе С Женщиной
Только С Крутой Соседкой / Allein Mit Der Geilen Nachbarin (2022) Dvdrip
Секс Мамки 2022
Видео Где Голых Девчонок
Пьяные Голые Отдыхают
Блондинка Привела Двоих Мужчин Для Секса
Телки Дрочат Самотыком
Порно Жену Трахают Толпой Измена
Зимние Каникулы Студентов Порно Онлайн
Сквирт Скачать На Русском Языке
Скачать Бесплатно Порно Ролики Оргазма Лесбиянок
Распутная Медсестра И Пациент Занимаются Сексом На Больничной Койке
Секс Групповуха Частное
Секс Массаж Клуб
Скачать Порно Худышек На Телефон
Порно Инцест Видео Онлайн Лучшее Сын
Симпатичная Телка Будет Кайфовать От Того, Что Её Имеют В Машине
Девочке Кончили На Грудь После Секса Порно И Секс Фото С Молоденькими
Жизнь Президента Порно
Девушки Лижут Киски И Помогают Пальчиками...
Секс Милашка С Негром
Секс Между Подростком И Женщиной
Скачать Порно Сказки Онлайн
Напорный Пробоотборник
Фото Голых Зрелых Медсестер
Жирная Стерва Сама Себя С Радостью Удовлетворит
Девушку Глубоко Любят Раком И Телочка Отлично Скакала На Стояке
