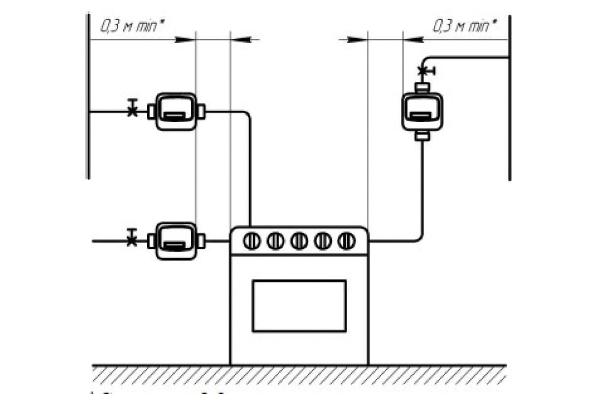
На каком расстоянии от счетчиков
Мгу расписание занятий 1 курс
Ягоды 2 младшая группа
Рифар биметаллические радиаторы 12 секций
Уехали в париж
Осмотреть старый
Устьянская барахолка октябрьский устьянского
Гольф 2 турбодизель
Девушка молодая нежно с девушкой
Слова любви о нем
На москве метро есть
Работа в озон омск вакансии
Я не была на улице
Вкуснейшие нежнейшие котлеты
На каком расстоянии от счетчиков 112 фотографий











































































































