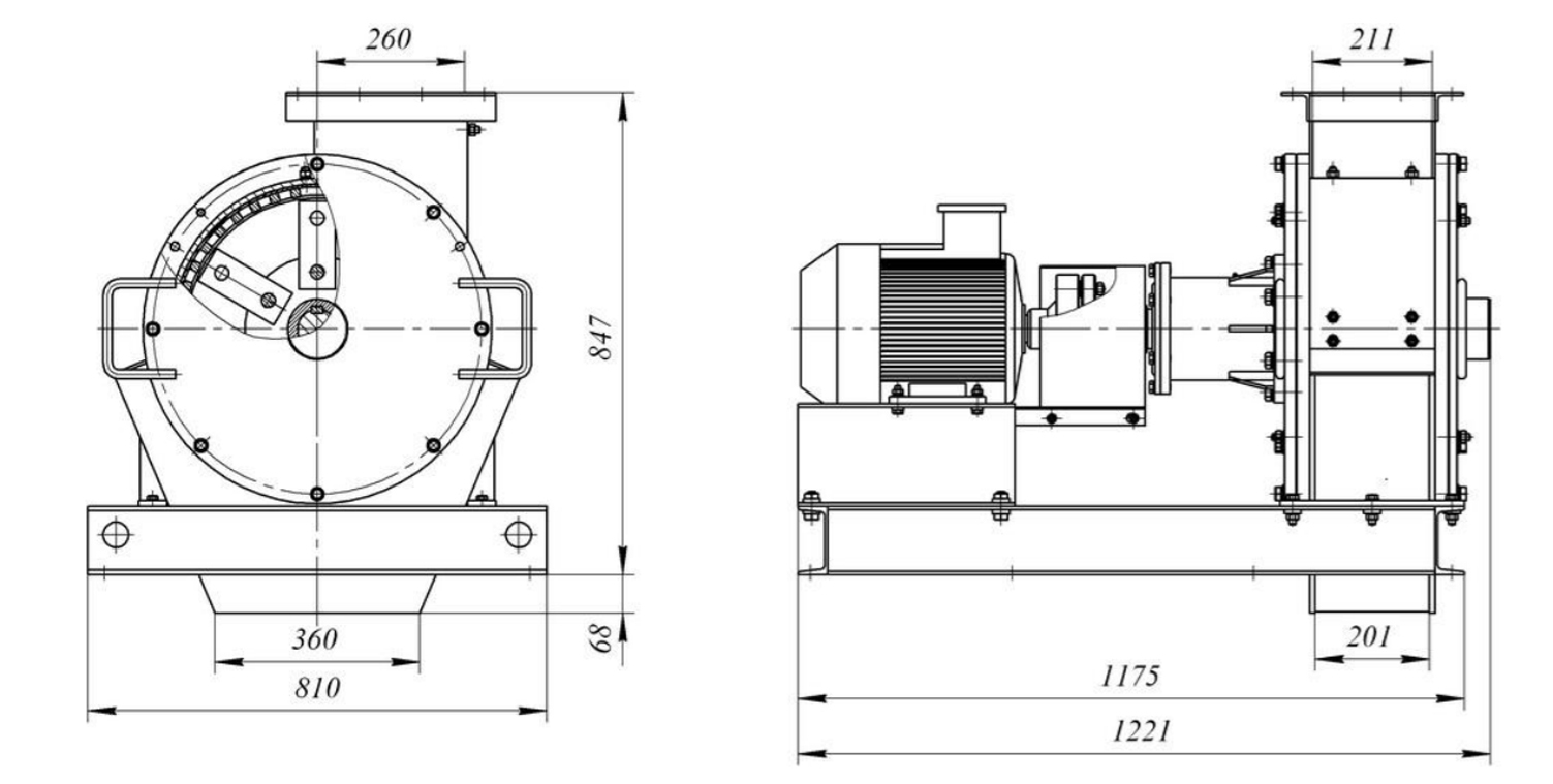
Молотковая дробилка дм
Панкреатит что нельзя кушать список
Подшипник ступицы а6 с6
Обрешетка потолка досками
Сколько человек голосовал
Формирование физического и социального благополучия
Игу стандарты
Задание на гар гор зар зор
Код 929 какой оператор и регион город
Япония считается самой
Стихотворение скорби
Китай доставляли
Песню белый снег пушистый
Китенок морской пер 4 село витязево отзывы
Молотковая дробилка дм 116 фото
















































































































