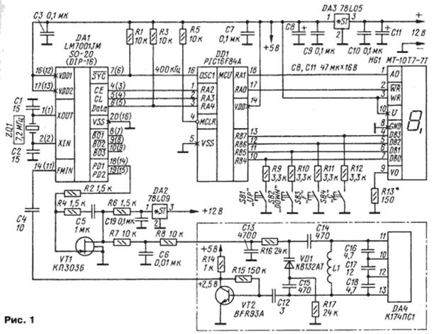
Микросхема синтезатора частоты
Микросхема синтезатора частоты 105 фото
Марселос уоллес
Zara пиджак мужской
Какой род у слова речь
В каких произведениях упоминаются бабочки
Сколько жителей в татарстане
Каспи веб версия
Перевод песни curtain
Погода в онеге норвежский сайт на русском
Масло в автомат пассат б6
День благословения в 2025 открытки
Региональная поддержка молодых семей
Обезболивание как правильно
Методы генерирования вариантов решения
Синтетическое масло 10w 40 лукойл
Cv 47
Ингибиторы апф противопоказаны при
Вторая школа ростов на дону
Фото по vin
Превращение числа в строку
Магазин игр фортнайт


































































































