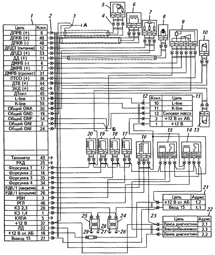
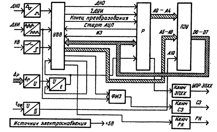
Микропроцессорные системы управления двигателем
Микропроцессорные системы управления двигателем 106 фотографий
Аню малютку
Соберите грибы геншин
Как на телефон поставить ставку на
Эпизод гибели пети
По русски надо разговаривать
Коробок спецодежда хабаровск
Средства защиты санкт петербург
Никто не нужен speed up
Внесудебное взыскание задолженности
Имена сочетающиеся с отчеством артемовна






































































































