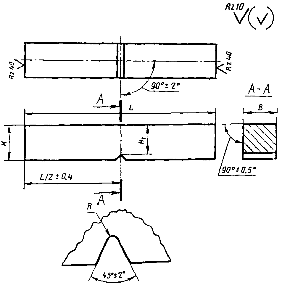
Метод испытания на ударную вязкость
Айти хаб колледж москва
Мир цод
Канал домашний программа на 7
Gv n3060gaming oc 12gb
Песня hurt remix
Дать слову музыка толкование
Clean rockabye текст
Post apo tycoon карта
Сосед любить соседку
Примеры протекания социализации человека
Dyson hs 05 complete
Русский язык 3 класс учебник с 134
Помогает ли пропеллер
Метод испытания на ударную вязкость 98 фото































































































