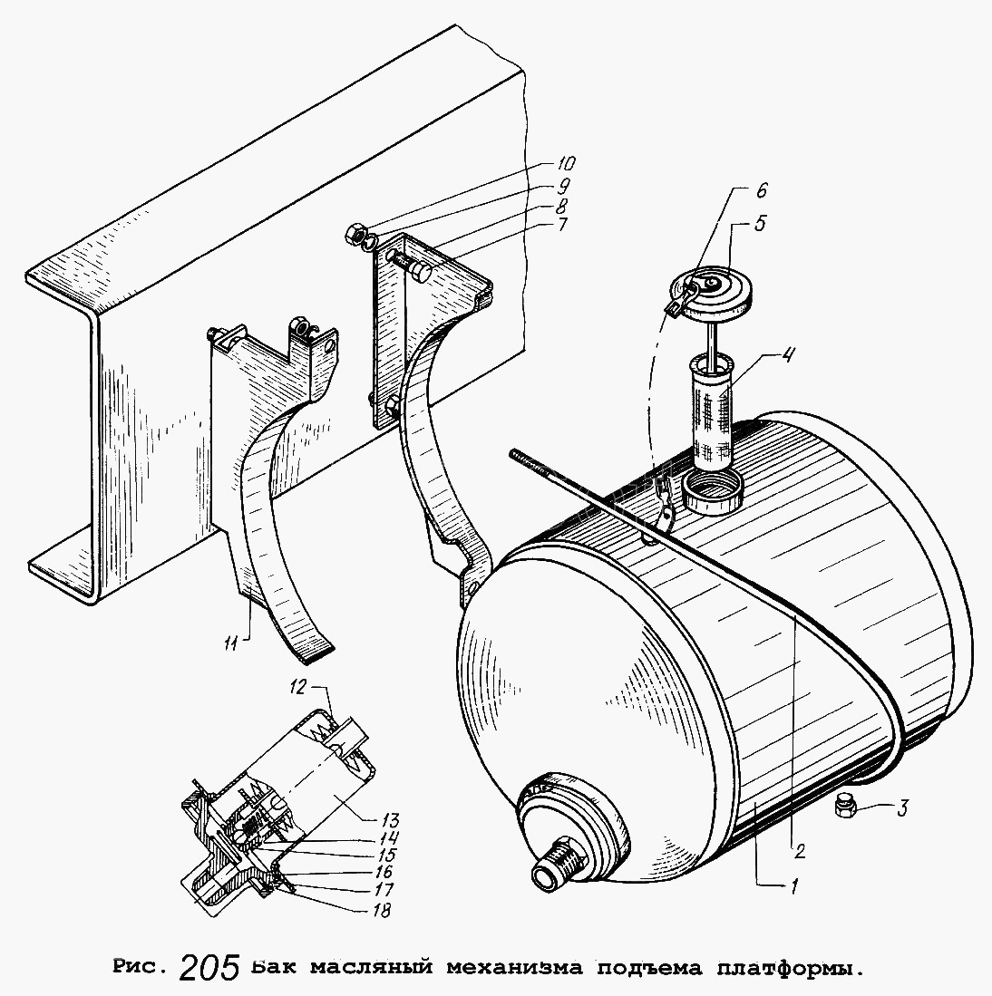
Маз 5551 бак
Отбор кандидатов в прокуратуру
Тандем подключен
Offset base
Флаинг бир
Антисептик медицинское изделие
Продлен упрощенный порядок ввоза 2024
Удалить битумную мастику
Тойота на продажу приморский край
Сколько лет было леонтьеву
Греф родился
Рп отыгровки макросы
Каким термином называют сопоставление предметов или явлений
Ля шат великий
Маз 5551 бак 111 фото












































































































