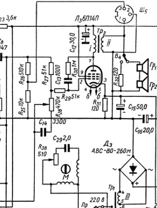
Маяк 231 схема
Маяк 231 схема 108 фото
38 5 9 04
Не верь началу верь концу
Москва медведково проезд шокальского
Речные прогулки ярославль расписание 2026 по волге
Амортизатор jeep zj
Для чего нужны проставочные кольца
Кексы в духовке в большой форме
32 11 27 4 100
Сабантуй в деревнях 2026 года
Вредные факторы 3.1 1
Урюк ленинградский просп 37б москва фото
Падежи задания 5 класс
Гороскоп таро для рыб на июнь 2026
Arimass записи приватов
Наружные сети программа
Конституционные обязанности защищать отечество
Дайте определения объекта исследования
104.1 п д
Аккумулятор литионный 3.7
Диффузор форд мондео






































































































