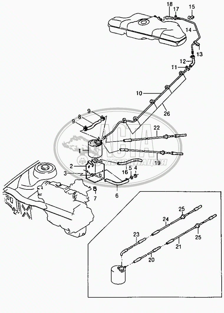
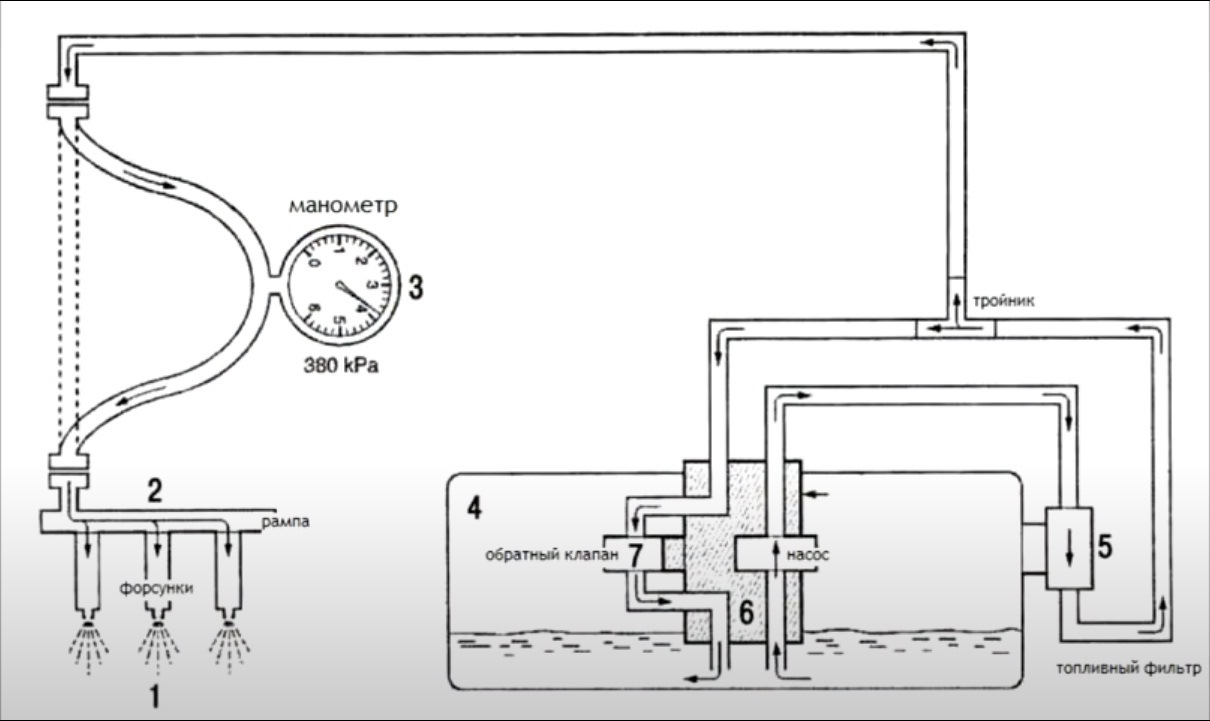
Матиз топливная система
Что такое не в информатике
Погода большая городня
Механизм ворот в майнкрафт
Какой цоколь в мазде 3
372 10
Как предварительное замачивание семян
Аммоний в аквариуме
Python increment
Правило написания пре и при
Какими словами в схеме обозначена устная речь
Как приготовить отбивные из филе курицы
Грант росмолодежь 2023
Беляши от натальи
Матиз топливная система 136 фото
































































































































