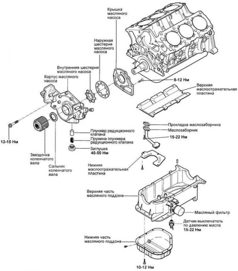
Масляный насос туксон
Цветы на дом бийск
Сайт инфоурок дети
Питер голландия остров
Почему не ловит gps
Гур m112
3090 223 14 4140
Ден торговля
Фрукты при застое желчи
См бремя
Задание для работника на день
Пробки киров на карте сейчас
Gymn30 scools by
Клюв у волнистых попугаев
Масляный насос туксон 95 фотографий





























































































