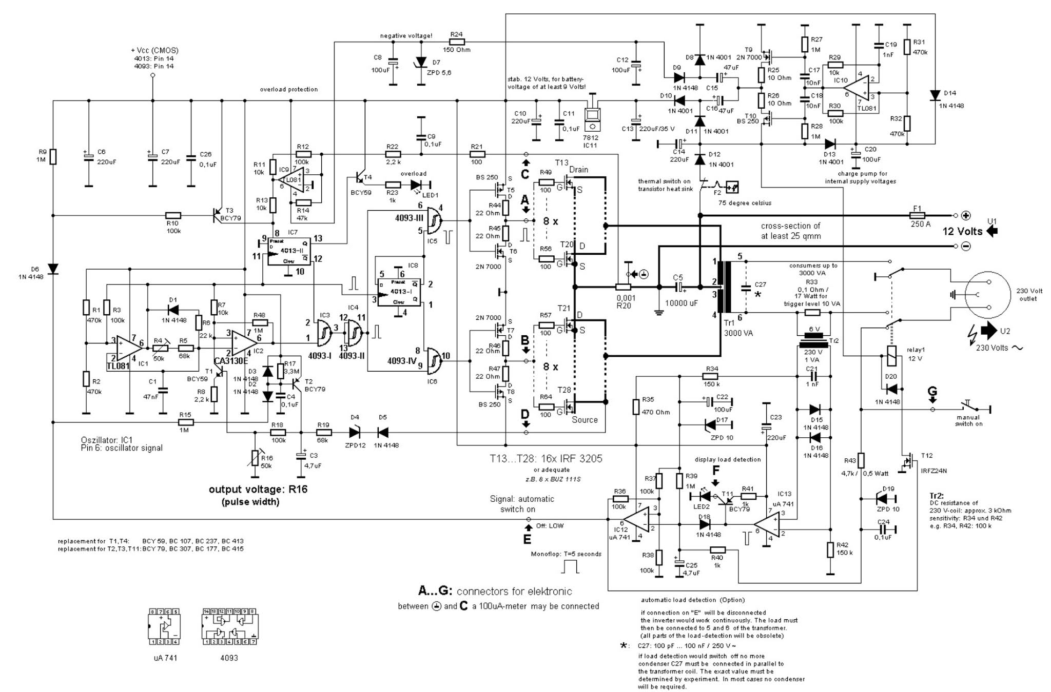
Manual 1 12
Чага березовая состав
Таблетки эдарби отзывы пациентов принимавших препарат
Чага березовая состав
К бирюзовый обоям какие шторы
Въезд в аэропорт шереметьево
Когда убывающая луна в августе месяце
Игры пони пони плей
Команды синумерика
Профсоюзная конференция 2025
Plain true
Телефон транспортной карты
Банановый индекс
Травы выводят токсины из организма
Manual 1 12 116 фотографий
















































































































