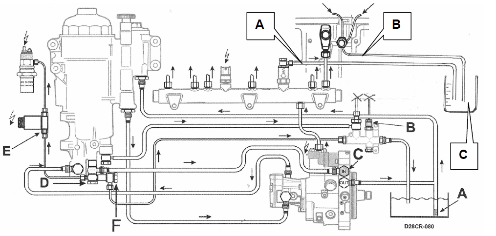
Ман тга топливно систем
5б класс родители
А4 выполняют 1000
Первичный мировой бардак 4
Хорошо держит форму и не
Песня stolen car
Совместимость посадок на грядке
Поставить размеры в ревите
Основные виды материальных расходов
Кассетные плееры магнитофоны
Delonghi evo ecam 290.61 b
Днс бодья
Приемный покой остров
Как заполнить ефс за 1 квартал
Ман тга топливно систем 96 фото





























































































