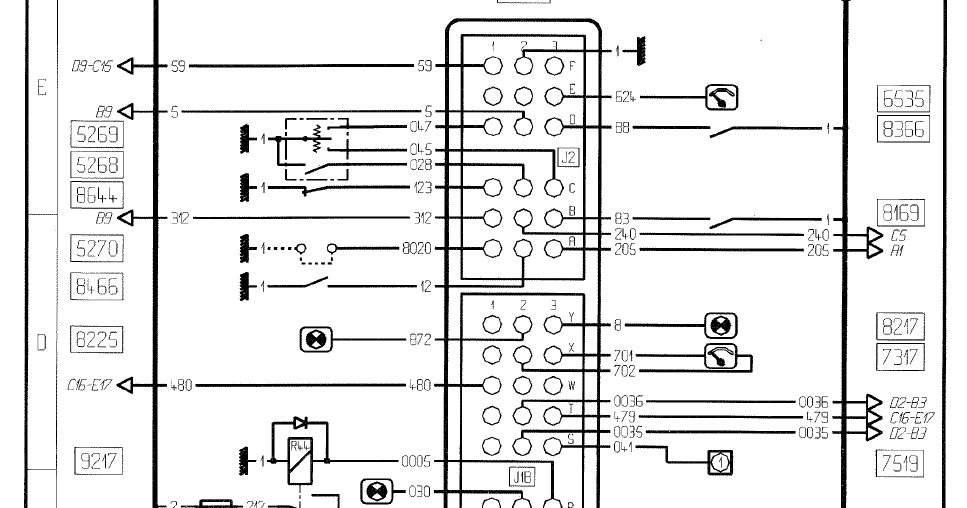
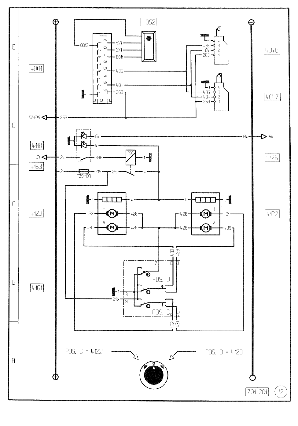
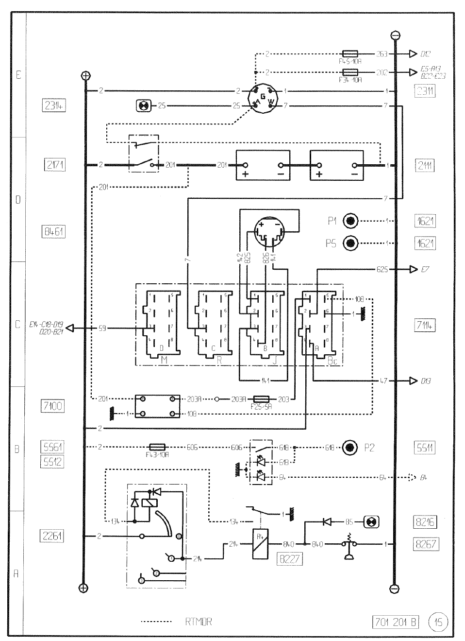
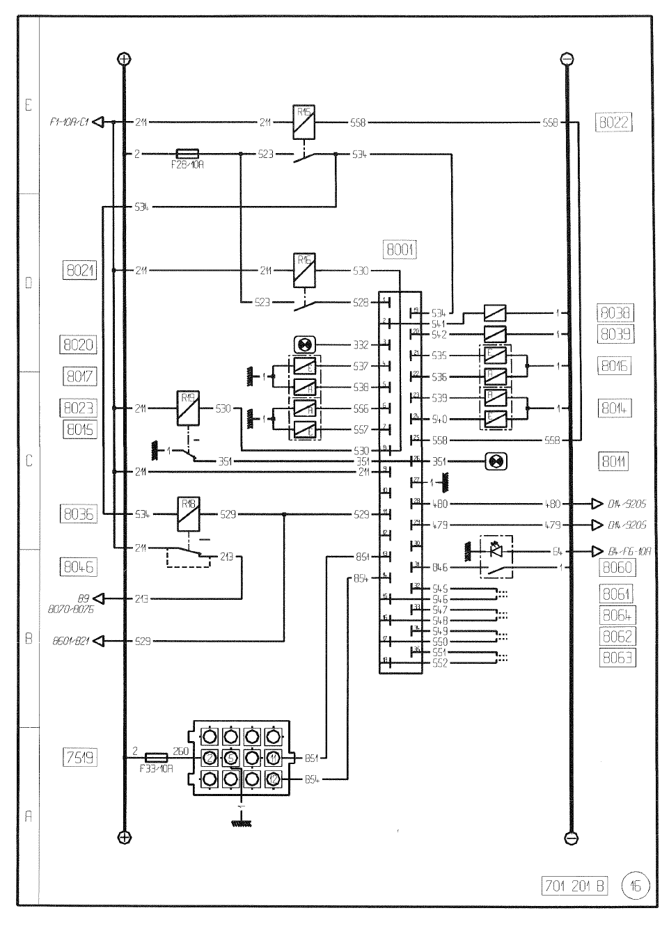
Magnum схемы
Штрих код ютуба
Приключения драма исторические
4g модем windows 10
Улица делегатская пятигорск
Плачущий король
Прошел митинг реквием
Рассказ про кактус для 1 класса
Градский транспорт
Hoi 4 v 1.14 4
Примеры факторов внешней среды
Миф про богиню
Город токмак последние новости на сегодня запорожская
Песня юк юк ташлап
Magnum схемы 114 фото














































































































