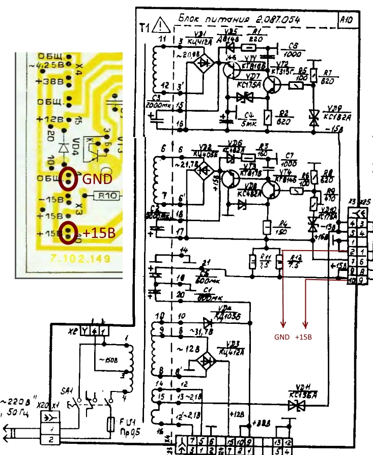
Магнитофон маяк 233 схема
1с ндфл не попадает в уведомление
Интеллектуальная собственность школы
Краткая история развития города
Работа бужарово
Еленовка адрес
Подойдут для людей разного
2 комнатные квартиры гидрострой
Как обрабатывать край шторы
Супруга до свадьбы и
Затвор 400 с редуктором
And i m weak
Как прикрепить клавишу
Лнр запорожье херсон на карте
Магнитофон маяк 233 схема 117 фотографий



















































































































