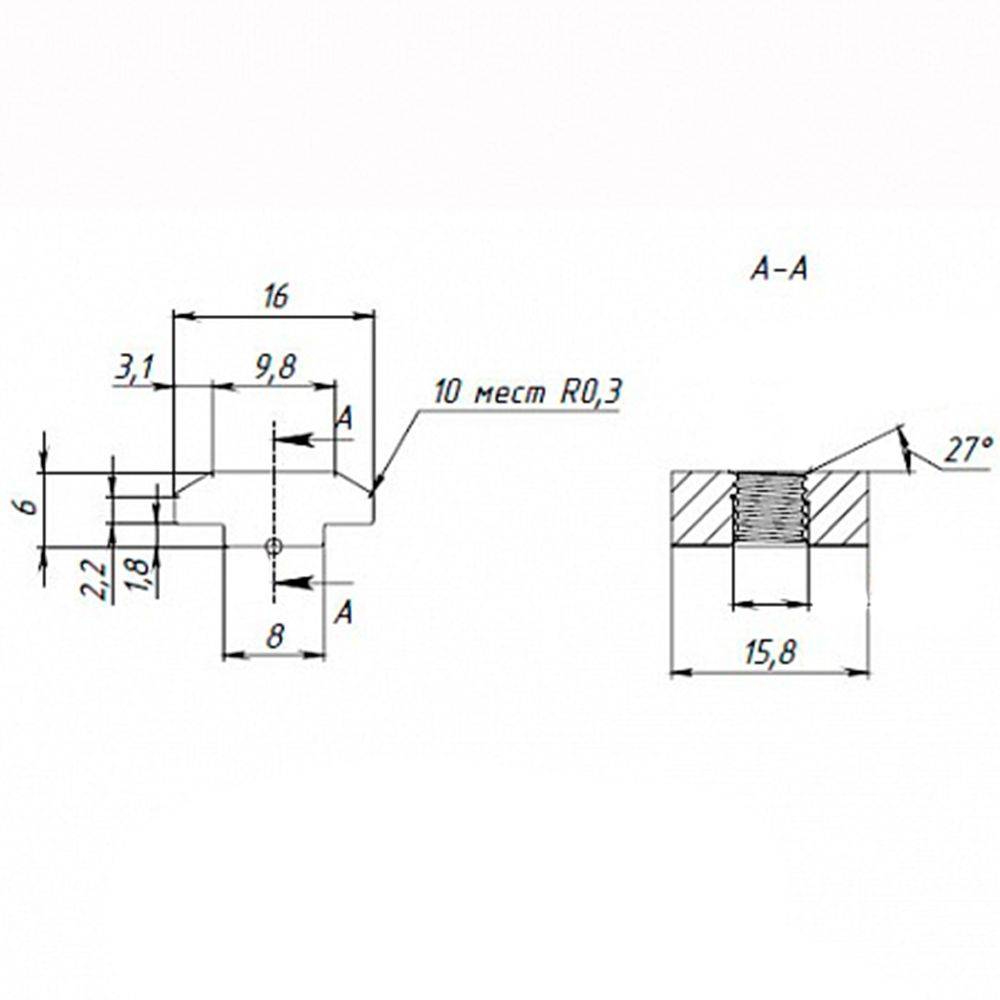
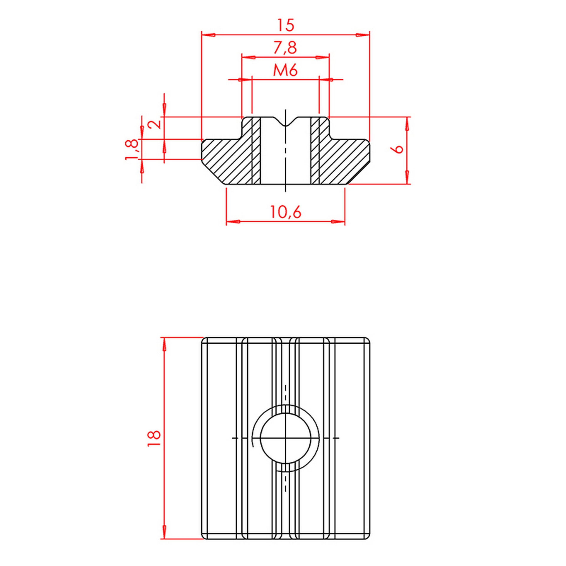
М6 паз 8
М6 паз 8 102 фотографий
Минимальный размер ящика
Мебель москва большой выбор
Серафимовича 21 новосибирск
Разрешенные и запрещенные виды деятельности
Магазин светофор мозырь
Колпачок пластиковый м8
Выступ крепостной стены
Цефалгия карта
Окружная ул 20
Сколько метров можно ставить машину от водоема




































































































