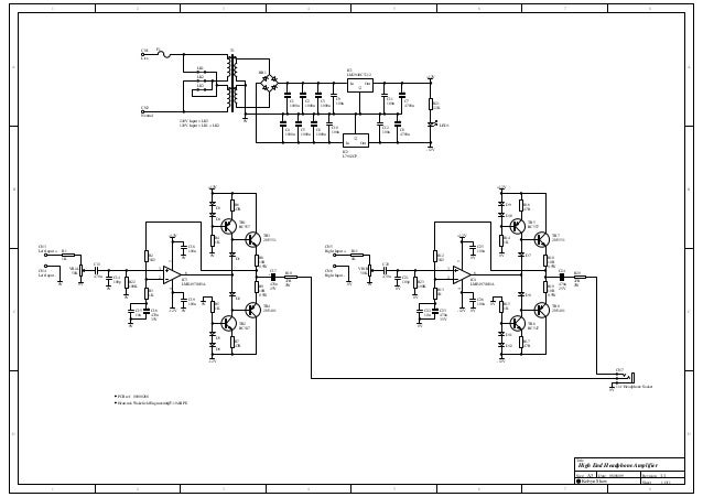
Lmh6321 Headphone Amplifier

🛑 👉🏻👉🏻👉🏻 ВСЯ ИНФОРМАЦИЯ ДОСТУПНА ЗДЕСЬ, ЖМИ 👈🏻👈🏻👈🏻
LMH6321 data sheet, product information and support | TI .com
PIMETA v2 Headphone Amplifier - Tangentsoft
Fiio E12 DIY Limited Edition Portable AMP HeadPhone Slim . . .
LMH6321 300 mA High Speed Buffer with Adjustable Current . . .
Texas Instruments LMH6321 Series Operational Amplifiers . . .
Current Buffer Choices? | Headphone Reviews and Discussion . . .
Best headphone amplifiers 2021: budget and premium | What . . .
Best Headphone Amp and DAC 2021 *UPDATED* — Audiophile On
ModenAudio - Headphone Amplifier
The 10 Best Headphone Amplifiers 2021 | Consordini
Смарт Часы Iwo M36plus Max
Xiaomi Haylou Smart Watch Обзор
Tws Wireless Earbuds Bluetooth 5.0
marshallheadphones .com Пожаловаться на рекламу
There's a Marshall® headphone that's perfect for you . Find it now! Types : Headphones, Speakers, Music Accessories
The LMH6321 is available in a space saving 8-pin SO PowerPAD or a 7-pin DDPAK power package . The SO PowerPAD™ package features an exposed pad on the bottom of the package to increase its heat sinking capability . The LMH6321 can be used within the feedback loop of an operational amplifier to boost the current output or as a stand alone buffer .
National Semiconductor LMH6321 buffers on the outputs (SOIC-8 package) PPA-like 3-channel topology keeps headphone return currents from disturbing the signal ground . Reverse power supply voltage protection . Supply voltage can be as low as 5 V, with suitable part selection . Near-silent power on and off . Adjustable class A biasing option for the . . .
THe LMH6321 is a bit of a specialist in that respect because it is less capable with lower impedance 'phones than the other buffers . It still sounds great, but just not as great as the other two "generalist" buffers . If I were using the E12DIY solely with a headphone like the Sennheiser HD650 or beyer T1, the LMH6321 would likely get the nod .
The LMH6321 is available in a space saving 8-pin SO PowerPAD or a 7-pin DDPAK power package . The SO PowerPAD™ package features an exposed pad on the bottom of the package to increase its heat sinking capability . The LMH6321 can be used within the feedback loop of an operational amplifier to boost the current output or as a stand alone buffer .
Texas Instruments LMH6321 Series Operational Amplifiers - Op Amps are available at Mouser Electronics . Mouser offers inventory, pricing, & datasheets for Texas Instruments LMH6321 Series Operational Amplifiers - Op Amps .
I am working my way up the DIY amplifier food chain . I built a CMOY, then a Mini^3, and an Apheared 47 . I think the next step is to incorporate a multiloop topology- which requires a buffer . I have Grado 225i's, so I'm looking for a high current solution . LMH6321 is used in the Pimeta 2, and seems to be available at digikey .
Best headphone amplifiers Buying Guide: Welcome to What Hi-Fi?'s round-up of the best headphone amplifiers you can buy in 2021 . If you're spending big on a pair of premium headphones , a dedicated headphone amplifier will make them sing much more than if you were to simply plug them into a computer . . .
A stellar little desktop amplifier that doesn't break the bank . The highlight is the transparency of the sound and the uncolored nature that rivals amplifiers more than twice the price . Schiit Website . 3 . Pathos Aurium - Best Small Tube Amplifier . Best Headphone Amplifier 2021 - Pathos Aurium .
Modenaudio si prefigge di progettare e costruire artigianalmente prodotti audio ad alte prestazioni, "analogici" ma tecnologicamente all'avanguardia, con un occhio particolare al design , così da poter offrire ai propri clienti, prodotti durevoli nel tempo . LYMPHA . Headphone Amplifier . Top Rovere . Manuale d'Uso > .
Another headphone amp from FiiO, the BTR5 is a portable Bluetooth headphone amplifier made for direct use with your Bluetooth compatible devices like smartphones or smart TVs and more . Simply connecting your device to the BTR5 will allow you to achieve a high-quality, audiophile-fidelity sound with extremely low latency all while remaining portable enough to fit in your pocket .
Jbl Earphones
Беспроводные Наушники Zmi Purpods Wireless Earphone
Наушники Westone B30 Bt Cable
Наушники Akai Tws Hd 222w
Амбушюры Для Наушников Huawei Am61
Беспроводные Наушники Tfn Airtune Black
Переходник Для Наушников С Usb На Штекер
Wavelet Headphone Specific Eq
Наушники С Микрофоном Usb Type C
Беспроводные Наушники Jbl 4
Кейс Для Наушников Xiaomi Купить Отдельно
Wireless Stereo Dynamic Headphones
Купить Беспроводные Наушники Hecate Gx07
Обзор Усилителя Для Наушников Sotamia Tpa6120a2
Наушники Ath Anc500bt Характеристики
Наушники Xiaomi Black Shark
Наушники Xiaomi Mi Collar Bluetooth Headset
Наушники Sony 7.1
Наушники Sennheiser Ie 80
Купить Один Беспроводной Наушник Xiaomi
Наушники Xiaomi Haylou Moripods Blue
Блютуз Наушники Jabra Оригинал Купить
Быстро Разряжается Один Наушник Earpods
Купить Bluetooth Наушники На Озоне
Наушники Jbl Wave 100 Обзор
Наушники Smartbuy Trio
Зарядный Кейс Для Наушников Xiaomi Redmi Airdots
Наушники Aorus H5 Black
Наушники Tws Xiaomi Mi True Отзывы
Наушники Mi Ксиоми Беспроводные Airdots Pro 1
Наушники Xiaomi Redmi Airdots S 2
Беспроводные Наушники Xiaomi Bhr4089gl
Наушники Sony Mdr Ex155ap Black
Беспроводные Наушники Air 2 Отзывы
Наушники Defender G 450
Новые Наушники Самсунг Buds Pro
Наушники Самсунг U Flex
Наушники Huawei Flypods Lite
Наушники Jbl Tune 215tws Black Jblt215twsblk Отзывы
Правый Наушник Apple Airpods А2031
Наушники Airpods Pro Реплика Отзывы
Jbl Наушники Проводные Цена
Силиконовые Амбушюры Для Наушников Вкладышей Jbl
Наушники Jbl Tune 125tws Black
Не Заряжается Один Беспроводной Наушник Airpods
Zst Pro Наушники
Apple Наушники Серийный Номер Узнать
Bluetooth Наушники True Wireless
Зарядка Чехла Беспроводных Наушников Apple
Wireless Headphone Mh2001
Беспроводные Наушники Huawei Freebuds Обзор
Наушники Iphone Отзывы
Звуковая Карта Для 250 Ohm Наушников
Tws Honor Earbuds 2 Lite Цена
Наушники Беспроводные Gal Tw 4800
Сколько Держит Зарядку Наушники Airpods
Add Earbuds
Наушники Asus Tuf H7
Беспроводные Наушники Xiaomi Airdots Black
Наушники Sennheiser Cx 400 Ii
Наушники Bluetooth Sony Wf 1000x Bm
Оригинальные Earpods Беспроводные
Противошумные Наушники Kraftool
Xiaomi Наушники Горит Белый Индикатор
Увеличить Громкость Наушников В Xiaomi
Наушники Sport
Беспроводные Наушники Deppa Air Light
Наушники Ath M50x Цена
Наушники Jbl Подключаются И Отключаются
Redmi Airdots Не Подключается Правый Наушник
Спортивные Bluetooth Наушники Вкладыши
Наушники Sennheiser Сравнение
Наушники Akg K518dj
Подключение Наушников Earpods
Микрофон Для Наушников Hyperx Cloud Core
Наушники Aceline Lightpods Basic Обзор
Apple Earpods 1 Беспроводные
Беспроводные Наушники Xiaomi Air 2se Отзывы
Mi Tw Earphones 2 Basic Управление
Беспроводные Наушники Xiaomi Haylou W1 White
Honor Earbuds 2 Lite Black
Наушники Hi Res Audio
Обзор True Wireless Наушников
Xiaomi Mi True Wireless Earphones Подключение
Наушники Akg K 72
Borofone Беспроводные Наушники Borofone Be34 White
Liberty Air 2 Правый Наушник
Наушники 1more Triple Driver In Ear
Не Заряжается Левый Наушник Airpods Pro
Наушники Xiaomi Новинки 2022
Наушники Ineez Tws Tw 80
Беспроводные Наушники Smartbuy Отзывы
Не Горит Один Наушник Airdots
Беспроводные Наушники Edifier Gm5
Наушники Jbl C100tws
Отзывы О Наушниках Sennheiser Hd 598
Наушники Akg Samsung Проводные Купить
Наушники Red Square Echo
Tvs Pro Наушники Беспроводные С Ушками
Наушники Hoco M1 Apple
Lmh6321 Headphone Amplifier












































































