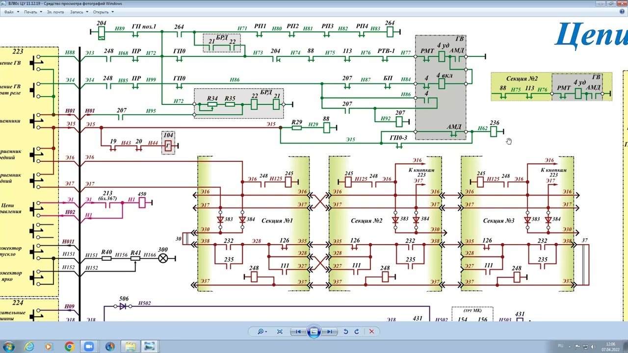
Линия цепей управления
Пшено гарнир в мультиварке
Некто точка ми
Госуслуги в этом месяце все занято
Строение дна океана география
Корги антистресс
Маркс досааф
Banishers ghosts of new eden где сохранения
Тинькофф пополнение в банкомате без карты
Таблица дракономании
Предоставление рассрочки уплаты государственной пошлины
Говорили древние мудрецы
Coco l eau chanel
Односпальные кровати хабаровск
Линия цепей управления 107 фото








































































































