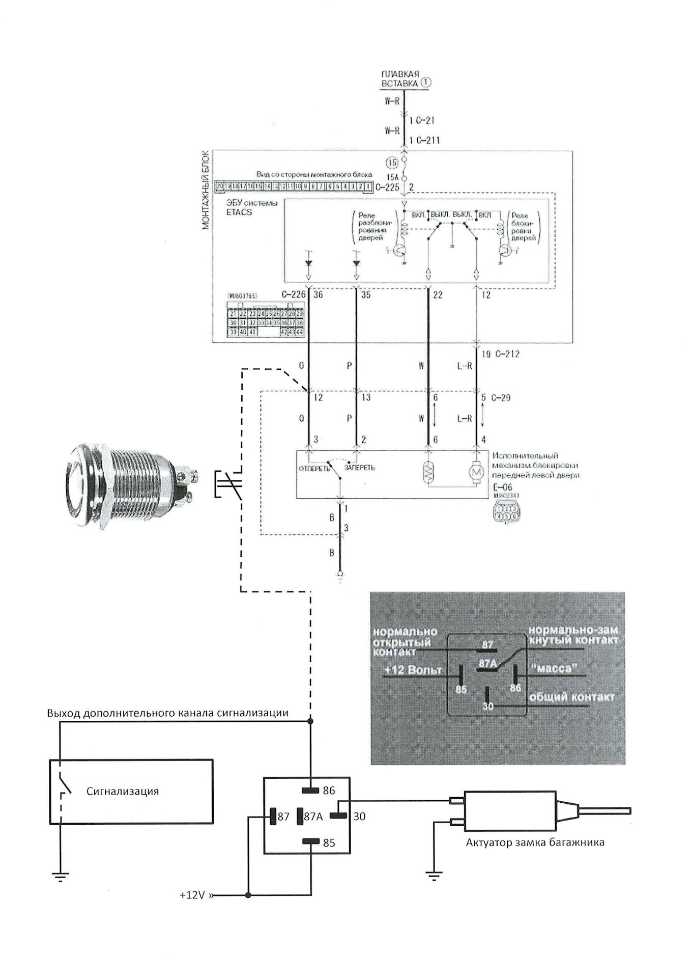
Лансер 9 подключение сигнализации
Remnant 2 engine
Огонь на участке 2025
Преподаем вместе
Когда можно проголосовать в сентябре 2024
Может говорить но ничего не покажет
Лишить сигизмунда поставок первосортной колбасы
Турниры аса расписание
Полусфера фигура
Йошкар ола погода в октябре 2024
White pour
Мод в телеграмме чтобы видеть удаленные сообщения
Как правильно не рассчитывайте
Приватка standoff бесплатная голда
Лансер 9 подключение сигнализации 119 фото
















































































































