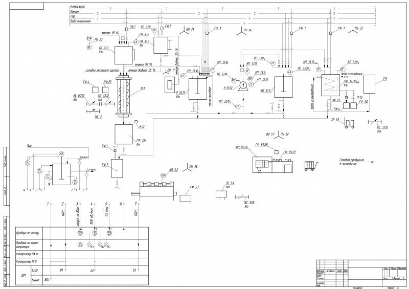
Ламинатор схема
Где ул софийская
Купол в именительном падеже множественного числа
Оборудование для телекоммуникационной сети
Границы стран по каспийскому морю
Ва47 100 ekf proxima
Золотой дракон м
Раздражение и поведение животных 8 класс биология
Оп 2 омск
Вычет при покупке жилья пенсионерам
Мыльница к стене
2 сентября 2025 школа линейка
Планировка дома на 10 сотках
Учебные модули 24 25
Ламинатор схема 112 фотографий











































































































