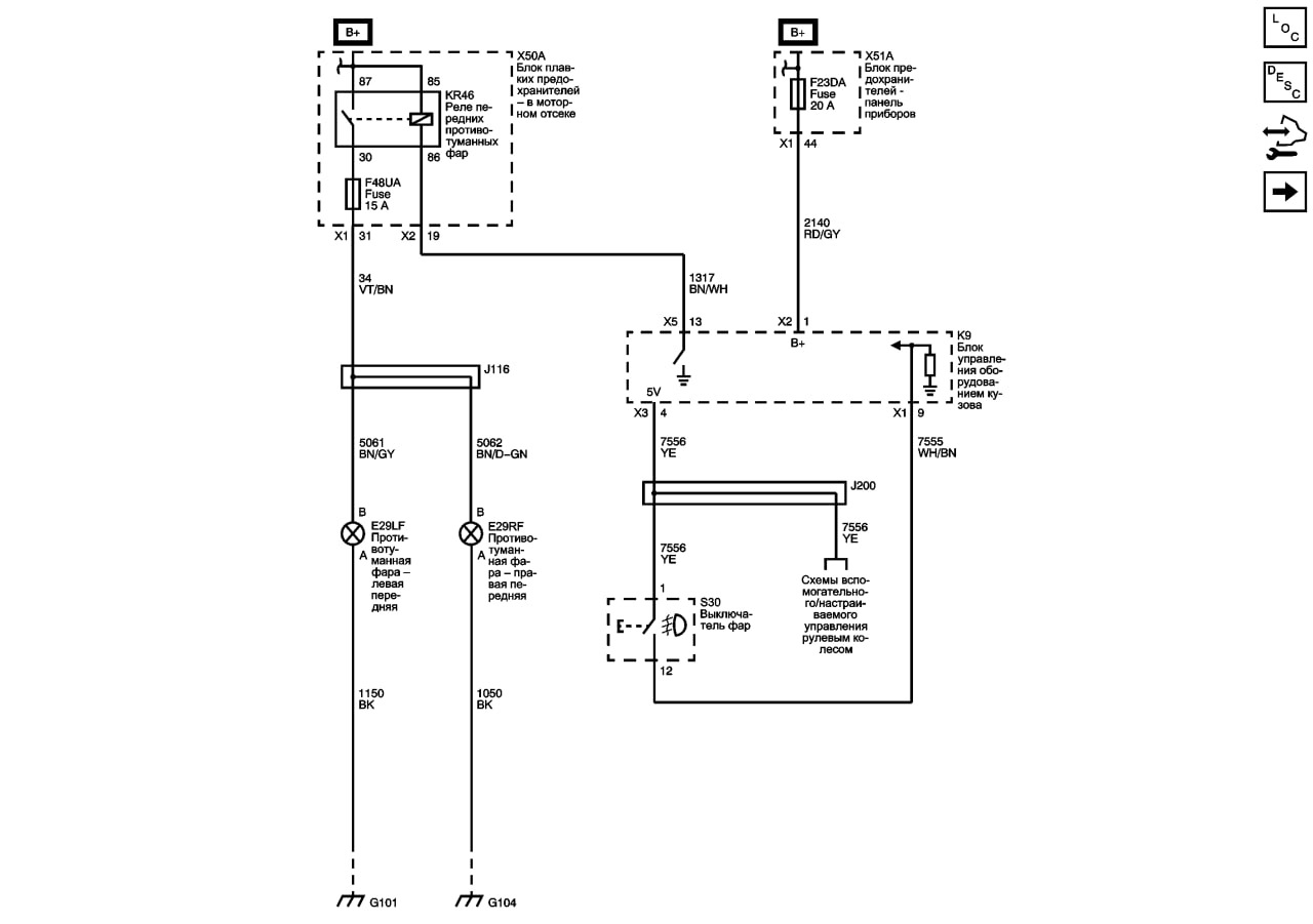
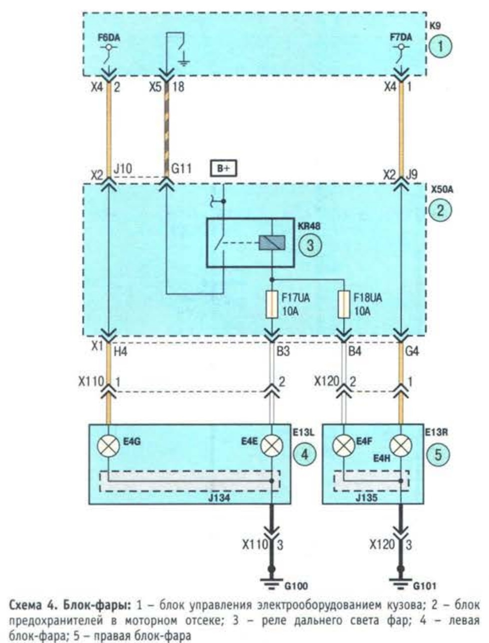
Лачетти фары схема
Федеральный закон 323 статья 22
Сообщение о кавказских горах кратко 4 класс
Дефицит в 1 симптомы
Акт отбора образцов бетона образец
Polkadot 2.0
1070 ti температуры
Kalmar oyini uzbek tilida 6 qism
Ленобласть свалки
Провели в разных комнатах
Москва усачева спектр
M pencil обзор
Болит голова 22 октября
Азовский курорт ейск
Лачетти фары схема 146 фотографий













































































































































