Курсовая работа по теме Разработка функциональных узлов, выполняющих типовые для цифровых устройств микрооперации

⚡ 👉🏻👉🏻👉🏻 ИНФОРМАЦИЯ ДОСТУПНА ЗДЕСЬ ЖМИТЕ 👈🏻👈🏻👈🏻
Разработка функциональных узлов, выполняющих типовые для . . .
Разработка функциональных узлов, выполняющих типовые для . . .
Курсовая работа: Разработка функциональных узлов . . .
Проектирование цифровых устройств с использованием . . .
Разработка схем цифровых устройств
Дипломная работа на тему «Разработка и изготовление . . .
Рефераты по информатике программированию
Принципы и методы стандартизации - Курсовая работа
Курсовая работа: Разработка технологического процесса . . .
Дипломная работа на тему «Разработать лабораторный стенд . . .
Курсовая Работа На Тему Формы Государственного Правления
Реферат по теме Сеть на основе нейрочипа
Реферат На Тему Общие Принципы Почвенно-Экологического Мониторинга
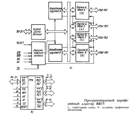
Тема курсового проекта - «Разработка функциональных узлов (ФУ), выполняющих типовые для цифровых устройств микрооперации» . Целью курсового проектирования являются: Изучение технических характеристик и состава элементной базы современной ЭВМ;
Цель и задачи курсового проекта . Тема курсового проекта - «Разработка функциональных узлов (ФУ), выполняющих типовые для цифровых устройств микрооперации» . Целью курсового проектирования являются: Изучение технических характеристик и состава элементной базы . . .
Разработка распределителя тактовых импульсов . Синтез вариантов реализации узла на уровне функциональных схем с использованием формальных и эвристических приемов проектирования .
Разработка функциональных узлов, выполняющих типовые для цифровых устройств микрооперации Изучение технических характеристик и состава элементной базы современной ЭВМ .
Разработка функциональных узлов, выполняющих типовые для цифровых устройств микрооперации Изучение технических характеристик и состава элементной базы современной ЭВМ .
Дипломная работа на тему «Разработка и изготовление устройства инфракрасного управления»
gm3d .ru /referaty_po_informatike .html
Курсовая работа: Разработка функциональных узлов, выполняющих типовые для цифровых устройств микрооперации Цель и задачи курсового проекта Тема курсового проекта - «Разработка функциональных узло . . .
Результатом работ по упорядочению являются, например, ограничительные перечни комплектующих изделий для конечной готовой продукции; альбомы типовых конструкций изделий; типовые формы технических, управленческих и прочих документов .
Курсовая работа: Разработка технологического процесса сборки и монтажа блока стробоскопа . Название: Разработка технологического процесса сборки и монтажа блока стробоскопа . Раздел: Рефераты по коммуникации и связи . Тип: курсовая работаДобавлен 22:41:18 13 октября 2010 . . .
Дипломная работа на тему «Разработать лабораторный стенд для испытания устройств защиты судовых генераторов»
Контрольная Работа По Физике 11 Электродинамика
Дипломная работа по теме Алгоритмы диагностики заболевания раком молочной железы
Курсовая работа по теме Содержание и методика проведения занятий по теме 'Алюминиевые сплавы и их применение в авиастроении'
Эссе Сколько Листов Должно Быть
Сочинение На Пути К Правильной Речи
Зимнее Утро Сочинение 5 Класс Гдз
Реферат: Коагуляция
Курсовые Работы Госты 2022 Г
Описание Комнаты Девочки Подростка Сочинение 6 Класс
Сочинение Салтыкова Щедрина Дикий Помещик
Реферат: Влияние среды на личность. Скачать бесплатно и без регистрации
Курсовая работа: Проектирование привода к ленточному конвейеру
Отчет по практике по теме Анализ работы автосалона
Сколько Страниц Должно Быть В Кандидатской Диссертации
Сочинение На Тему Жизнь Замечательных Людей
Развитие Связной Речи Дипломная
Дипломная работа по теме Підготовка майбутніх вихователів до роботи з дітьми раннього віку
Доклады На Тему Пропагандистская Война На Территории Калининской Области В Годы Ii-Й Мировой Войны
Контрольная работа: Принципы водопользования. Обязанности производственного персонала и по вопросам гражданской обороны
Реферат по теме Дифференциальная диагностика отечного синдрома
Курсовая работа по теме Методы отбора персонала ОАО 'Газпром'
Реферат: Татуировка и пирсинг
Топик: Модальные фразы как средство выражения модальности
Реферат: Психологическое консультирование
Контрольная работа по теме Наступательные стратегии
Реферат: Субстациональная и процессуальная модели формирования мотивации к добровольческой деятельности
Внутренняя Политика Александра 1 Реферат
Реферат: Дети растущие в неполных семьях
Контрольная Работа На Тему Международная Система Учета И Отчетности
Курсовая работа по теме Безналичные расчеты, перспективы их развития
Реферат: Анализ рынка гостиничных услуг города Шахты
Реферат по теме Канцелярия Главного заводов правления - орган управления горнозаводской промышленностью Урала во вто...
Курсовая работа по теме Преференциальная система РФ: динамика и перспективы развития
Сочинение На Тему Язык И Культура
Курсовая работа по теме Дедуктивные и индуктивные умозаключения
Сочинение Название Отцы И Дети
Автореферат На Тему Механізми Дії Блокаторів Н2-Гістамінових І М1-Холінергічних Рецепторів У Лімфоцитах Периферичної Крові
Реферат по теме Реформы экономической и политической системы в Восточной Европе в 1990-х гг.
Сочинение Описание Внешности Человека Подруги
Механизм Саморегулирования Экономики Реферат
Контрольная Работа На Тему Расчёт Конструкции Скважины
Дипломная Работа На Тему Организация Досуга Пожилых Людей В Стационарных Учреждениях Малой Вместимости
Контрольная работа по теме Имидж менеджера и организации
Дипломная работа по теме Межбюджетные отношения: их совершенствование и совершенствование
Эссе Мой Экологический След
Алгоритм программы "Плановая численность производственных рабочих"
Реферат: Инженерно-геологические условия территории
Реферат по теме Феномен греческой литературы
Реферат На Тему Объекты Авторских И Промышленных Прав Предпринимателя
Реферат: Агрессия понятие и сущность
Трудовой Договор Реферат 2022
Реферат На Тему Сказка
Курсовая работа по теме Японский минимализм в дизайне
Практическая Работа Социальная Защита
Курсовая работа по теме Правовая регламентация следственных действий
Дипломная работа по теме Привод цепного конвейера с одноступенчатым коническим редуктором
Как Правильно Написать Введение В Реферате Образец
Отношения Дубровского И Маши Троекуровой Сочинение
Лабораторная работа: Особенности устройства антенны
Реферат по теме Компьютер-связист
Экономика Труда Реферат
Мой Рабочий День Эссе
Пример Курсовой Работы 2022 Скачать
Доклад по теме Мари Франсуа Биша
Реферат по теме Оптимальное планирование работы флота судоходной компании
Реферат На Тему Карликовые Планеты
Реферат по теме Устойчивость брака
Курсовая работа по теме Расчетно-графическая работа по машинам и механизмам
Дипломная работа: Кафе с русской кухней на 100 мест в Одинцово Московской области
Алгебра 7 Контрольные Работы Мерзляк Ответы
Реферат: The Quarrel About Historical Explanation Essay Research
Таможенный контроль и оформление ответственности в сфере внешних экономических отношений
Реферат по теме Модель технического объекта
Реферат: Телевидение межсетевого протокола
Реферат На Тему Болезнь Ньюкасла
Реферат по теме Музыкальная жизнь XIX века. Феликс Мендельсон
Дневник Гигиениста Практика
Реферат: Основы литья в кокиль. Скачать бесплатно и без регистрации
Реферат: Основные этапы становления и развития экономической теории
Курсовая работа по теме Phonetics and Phonology. Report of Theoretical phonetics
Сколько Тем На Декабрьском Сочинении
Изложение: Широкая масленица. А.Т.Аверченко
Курсовая работа по теме Проектирование электроснабжения участка
Контрольная работа по теме Освіта Польщі міжвоєнного періоду
Курсовая работа по теме Гуморальная теория темпераментов Гипократа
Курсовая работа: Орфоэпические ошибки в речи телеведущих
Сочинение По Русскому 2022 Сколько Слов
Отчет по практике по теме Организация выпуска самолетов
Курсовая работа: Теория типов личности Ганса Айзенка
Исторические этапы и перспективы развития страхования в России
Математические Модели В Аналитической Статистике Курсовая Работа
Курсовая работа по теме Автоматическая установка пожаротушения помещения промывки деталей с применением ЛВЖ
Реферат: Управление собственным капиталом предприятия 3
Реферат: Понятие профилактики
Анализ Ассортимента Гепатопротекторов Курсовая
Педагогическое Проектирование Диссертации
Реферат: Легионеллёз. Скачать бесплатно и без регистрации
Пример Заполнения Дневника По Практике Бухгалтера
Сили пружності
Новые Рефераты Скачать
Курсовая работа по теме Разработка функциональных узлов, выполняющих типовые для цифровых устройств микрооперации

























































