Курсовая работа по теме Проектирование узла многофункциональной каналообразующей аппаратуры

🛑 👉🏻👉🏻👉🏻 ИНФОРМАЦИЯ ДОСТУПНА ЗДЕСЬ ЖМИТЕ 👈🏻👈🏻👈🏻
Курсовая работа на тему «Модернизация телеграфного узла»
Курсовая работа: Проектирование аппаратуры передачи данных . . .
Курсовая работа на тему «Устройства для оценки . . .
Модернизация телеграфного узла . Курсовая работа (т . . .
Проектирование электропитающих устройств дома связи
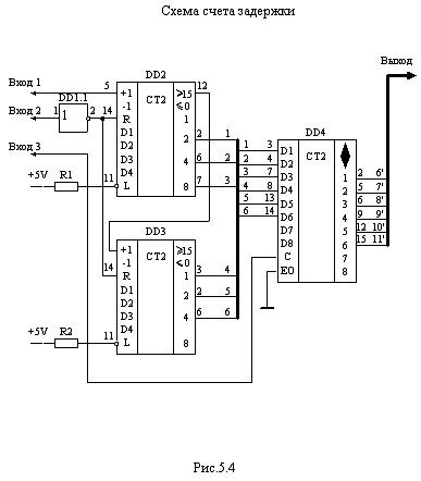
Расчет параметров систем документальной электросвязи
Реферат: Проект узла коммутации телеграфных связей в . . .
Проектирование местной телефонной сети железнодорожного . . .
Готовые дипломные работы, курсовые работы, контрольные и . . .
Курсовая работа: Использование ЛЧМ сигналов при построении . . .
Курсовая Работа На Тему Електрифікація Лінії Хімічної Обробки Соломи І Розробка Системи Автоматичного Керування
Практическая Работа Excel Диаграммы
Курсовая Работа На Тему История Государства И Права Зарубежных Стран
Курсовая работа на тему «Модернизация телеграфного узла» Министерством связи РФ не так давно была принята «Концепция развития документальной электросвязи», разработанная Ассоциацией Документальной Электросвязи .
Структура аппаратуры передачи информации . Разработка передающей и приемной части в соответствии с заданными параметрами . Разработка функциональной схемы устройства преобразования сигналов и устройства защиты от . . .
Курсовая работа на тему "Курсовая работа менеджмент . организационная структура предприятия" Курсовая работа на тему "Функции управления и их взаимосвязь в процессе управления .…
Курсовая работа на тему: «Модернизация телеграфного узла» Улан-Удэ - 2016 год . 1 . Современное состояние документальной электросвязи
КУРСОВАЯ РАБОТА . по дисциплине Электропитание устройств железнодорожной автоматики, телемеханики и связи . на тему Проектирование электропитающих устройств дома связи . Вариант 60 . . .
Данная курсовая работа состоит из 2 основных частей: проектирования узла документальной электросвязи, а так же решения задач, по использованию различных технологий, таких как X-25, Frame Relay и MPLS .
СОДЕРЖАНИЕ . 1 . ОПИСАТЕЛЬНЫЙ РАЗДЕЛ . стр . Введение . 3 1 .1 Способы коммутации КК,КС,КП . 5 1 .2 . . .
курсовая работа [1019,3 k], добавлен 27 .09 .2013 Проектирование цифровой автоматической телефонной станции Протон серии "Алмаз 1"
Готовые дипломные работы, рефераты, контрольные или курсовые работы по информатике, информационным технологиям
refeteka .ru /r-113063 .html
КУРСОВАЯ РАБОТА . по дисциплине: Основы построения РЛС . на тему: ИСПОЛЬЗОВАНИЕ ЛЧМ СИГНАЛОВ ПРИ ПОСТРОЕНИИ ПРИЕМНИКА РЛС СОПРОВОЖДЕНИЯ
Пособие по теме Мини-шпаргалки по физике (1 курс)
Реферат: Рокфеллер, Уинтроп Э.
Курсовая работа по теме Проект управленческого решения по созданию благоприятных социальных отношений в трудовом коллективе
Курсовая работа по теме Особенности развития гостиничного бизнеса в России
Реферат: Инвестиционные стратегии. Скачать бесплатно и без регистрации
Реферат: Развитие законодательства о защите прав коренных малочисленных народов в Российской Федерации
Доклад по теме Суэцкий кризис 1956 года
Юнева 150 Тем Эссе Скачать
Эссе Ключом Ко Всякой Науке
Реферат: Барьеры в общении и пути их преодоления в сфере управления
Темы Курсовых Работ По Химии
Реферат: Управление качеством продукции и услуг
Реферат: Законы вавилонского царя Хаммурапи. Скачать бесплатно и без регистрации
Реферат Жазу Әдістемесі
Контрольная Работа На Тему Деятельностный Подход В Педагогике
Формы Занятий Физическими Упражнениями Реферат
Огэ Сочинение 9.1 Вариант 16
Эссе Завтра Была Война
Дипломная Работа Разработка И Проведение Фестиваля
Реферат по теме Творчество О. Бове
Дипломная Работа В Сфере Закупок
Реферат по теме Рыцарь духовного наследия казахского народа - Кенесары Касымов
Контрольная Работа Математические
Курсовая работа по теме Русский язык в многонациональной России
Логистический Сервис Курсовая Работа
Контрольная работа по теме Моделирование радиоэлектронных устройств
Учебно Курсовой Комбинат Гуп Мосгортранс Вакансии
Контрольная Работа На Тему Потребности И Производство
Отчет по практике по теме Организация и проведение тренингов, деловых игр и лекций
Контрольная работа: по Экологии 8
Реферат: Австронезия
Реферат Техника Выполнения Верхняя Прямая Подача
Реферат по теме Передний край теоретической физики: теплопроводность одномерного кристалла
Курсовая работа по теме Автоматизация информационной системы управления заказов на предприятии ООО 'Сервис-ТВ'
Курсовая работа: Право власності на землю
Контрольная работа по теме Архитектура управления ИС предприятия
Защита Диссертации По Медицине
Метод Гаусса Курсовая Работа
Контрольные Работы Физика 8 Класс Фгос
Курсовая работа: Міжнародний факторинг проблеми та перспективи розвитку в Україні
Итоговая Контрольная Работа По Истории 5 Класс
Реферат Функции Управления
Граматычныя асаблівасці беларускай спецыяльнай лексікі
Реферат по теме Роль и функции банков в рыночной экономике
Реферат: Билеты по социологии
Курсовая работа: Організація маркетингової діяльності ТМ "Смак" та розроблення заходів щодо її покращення
Отходы Курсовая Работа
Реферат: Невыносимые законы
Контрольная работа по теме Использование методов активного социально-психологического обучения в средней общеобразовательной школе. Начальные классы
Курсовая работа: Профессиональное самоопределение на разных этапах развития личности
Курсовая работа по теме Социалистическое право как особый исторический тип права
Реферат по теме Благотворительные организации
Реферат по теме Гострі отруєння бензодіазепінами та барбітуратами
Курсовая работа по теме Полосатый мангуст
Курсовая работа по теме Класс птицы, общая характеристика класса
Курсовая работа: Особенности правового развития лизинга в России. Скачать бесплатно и без регистрации
Реферат: Antony And Cleopatra Essay Research Paper Nature
Организация Бюджетного Процесса Реферат
Курсовая работа: Классификация производственных затрат в управленческом учете на примере ТОО "Павлодарзернопродукт"
Культура Древнего Китая Эссе
Реферат: The Parable Of The Prodigal Son Essay
Реферат по теме Фундаментальная онтология М. Хайдеггера
Реферат: Fame Fortune And Celebrities Essay Research Paper
Курсовая работа по теме Генератор синусоидального напряжения
Реферат На Тему Концепции Человека И Его Потребностей В Философии Xix В. Рутинные И Творческие Потребности
Отчет по практике по теме Налог на доходы физических лиц
Курсовая работа по теме Системы обнаружения атак
Сочинение Рассуждение На Тему Спорт 6 Класс
Курсовая работа по теме Виды тепловой обработки сырья и процессы, происходящие при тепловой обработке
Доклад: Судебно-экономическая экспертиза
Понятие Гражданского Правоотношения Курсовая Работа
Реферат На Тему Сравнение Беспроводной Передачи Данных Irda И Bluetooth
Тема Курсового Проекта По Распределенным Вычислительным Системам
Контрольная Работа На Тему Организация Многоагрегатной Работы И Совмещение Профессий
Курсовая работа по теме Технология изготовления кристаллов полупроводниковых интегральных микросхем
Федеральные налоги
Контрольная работа: Управление страховыми рисками. Скачать бесплатно и без регистрации
Сочинение Описание Маминой Внешности
Сочинение По Тексту Быкова Об Искусстве
Реферат по теме Анализ ценообразования мирового рынка нефти
Контрольная работа по теме Глагол как часть речи
Реферат по теме Эволюционные изменения атмосферы Земли
Реферат: Геоинформационные системы электронная картография
Реферат Рыбная Котлетная Масса
Реферат: Белое и серое вещество головного мозга. Скачать бесплатно и без регистрации
Реферат по теме Экзистенциально-инициальная работа с телом
Доклад: Религия и философия в эпоху Возрождения
Инвестиции В России Курсовая
Гаоу Учебно Курсовой Комбинат
Курсовая работа по теме Синтез логического автомата
Курсовая Работа C Купить
Образ Простаковой В Комедии Недоросль Сочинение
Реферат по теме Звезды
Реферат по теме Манипулирование с целыми числами произвольной длины
Аргументы Обществознание Эссе 2022
Доклад: Проблемы и перспективы развития банковской системы в России
Развитие естествознания по этапам
Реферат: Мотивация деятельности в менеджменте 4
Дипломная Работа На Тему Профилактика И Диагностика Агрессивности У Детей С Нарушениями Опорно-Двигательного Аппарата
Реферат: Концепция создания и функционирования в России автоматизированной базы правовой информации. Скачать бесплатно и без регистрации
Курсовая работа по теме Проектирование узла многофункциональной каналообразующей аппаратуры











































