Курсовая работа по теме Проектирование электроснабжения заготовительно-сварочного цеха

💣 👉🏻👉🏻👉🏻 ВСЯ ИНФОРМАЦИЯ ДОСТУПНА ЗДЕСЬ ЖМИТЕ 👈🏻👈🏻👈🏻
Проектирование электроснабжения заготовительно-сварочного цеха
Проектирование электроснабжения заготовительно-сварочного цеха
Диплом на тему "Проектирование сварочного цеха" скачать . . .
Курсовая работа (Теория) на тему "Разработка системы . . .
Проектирование системы электроснабжения цеха . . .
Курсовая работа: Проектирование электроснабжения . . .
Курсовая работа: Электроснабжение цеха обработки корпусных . . .
Проектирование электроснабжения метизного цеха - Курсовая . . .
8 . Курсовая работа (проект) - Проектирование . . .
Учебная работа . Курсовая работа: Проектирование системы . . .
Реферат по теме Business Ethics
Курсовая работа по теме Проектирование системы управления научно-исследовательским институтом
Реферат по теме Евросоюз и США: общее и особенное
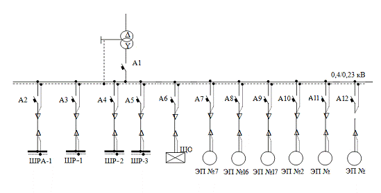
1 . Исходные данные . 2 . Расчет электрических нагрузок заготовительно-сварочного цеха . 3 . Расчет осветительной нагрузки . 4 . Определение суммарной нагрузки цеха . 5 .
КУРСОВАЯ РАБОТА . по дисциплине: «Потребители электроэнергии и системы их питания» на тему: «Проектирование электроснабжения заготовительно-сварочного цеха» Выполнила: ст .гр . ЭиАТК-08-1
Проектирование электроснабжения заготовительно-сварочного цеха Курсовая работа (Теория) по физике 104 Кб / 24 стр / 2912 слов / 15194 букв / 26 ноя 2014
Проектирование электроснабжения заготовительно-сварочного цеха Курсовая работа (Теория) по физике 104 Кб / 24 стр / 2912 слов / 15194 букв / 26 ноя 2014
Проектирование системы электроснабжения цеха машиностроительного завода - Курсовая работа , страница 1 . В данном курсовом проекте по дисциплине Электроснабжение промышленных предприятий представлено проектирование системы электроснабжения отделений цеха . . .
Курсовая работа: Проектирование электроснабжения механического цеха - BestReferat .ru . Проведение расчетов электрических нагрузок, компенсирующего устройства, элементов электроснабжения (силовой шкаф, магнитный пускатель, предохранитель), токов короткого замыкания . . .
Курсовой проект на тему электроснабжения цеха по обработке корпусных деталей . Курсовая работа включает в себя общую часть, специальную часть и охрану труда . В общей части была выбрана категория надежности электроснабжения предприятия, схема электроснабжения цеха . . .
КП 140613 .09 .01 .00 .000 . ПОЯСНИТЕЛЬНАЯ ЗАПИСКА . По дисциплине: «Электроснабжение отрасли» . Тема: «Проектирование электроснабжения метизного цеха» . Руководитель курсового проекта . Иванова Е .Е . "_____"__________200__г . Разработал: студент группы Эл-31 . Акинтьев А .В .
В данной пояснительной записке произведен расчет электроснабжение участка механосборочного цеха, целью которого является выбор наиболее оптимального варианта схемы, параметров электросети и ее элементов, позволяющих обеспечить необходимую надежность . . .
пояснительная ЗАПИСКА . к курсовой работе . Тема: «Проектирование системы электроснабжения завода станкостроения . Электроснабжение цеха обработки корпусных деталей» . руководитель . ст .преподаватель каф .»ПЭ» . __________Р .Ж . Темербеков . «___» ____________ 2007 г . Студент Шевченко П . Ю .
Реферат: Революции в российской политической истории и их последствия
Сочинение Чудный Собор Храм Покрова На Нерли
Курсовые Работы 2022 Года
Реферат: Раковецький замок XIV-XVII століть
Курсовая работа: Разработка привода цепного транспортера
Сочинение На Тему Осенние Каникулы С Фразеологизмами
Формы Русского Языка Реферат
Эссе О Поэме Пушкина О Мертвой Царевне
Реферат: Бухгалтерский учет в строительстве 2
Анализ Первичных Документов И Учетных Регистров Реферат
Курсовая работа по теме Процесс снижения ущерба окружающей среде (на примере ОАО 'Сургутнефтегаз')
Реферат На Тему Ford Mustang
Курсовая Работа На Тему Бухгалтерский Учет Финансовых Вложений
Контрольная Работа 1 Системы Счисления 8 Класс
Дипломная Работа На Тему Формирование Доходов Бюджета Республики Беларусь
Реферат по теме Хип-хоп культура. Возникновение хип-хопа
Как Начать Сочинение Про Капитанскую Дочку
Реферат по теме Психологические аспекты социальной рекламы
Курсовая работа по теме Административное право Украины как отрасль права
Контрольная Работа По Математике 4 Перспектива
Реферат: CAMP Essay Research Paper CampAs the big
Тәуелсіздік Жетістіктері 30 Жыл Эссе
Контрольная работа: Основные понятия маркетинга 3
Реферат: Текстильная техника западной Европы
Контрольная работа по теме Учение В. И. Вернадского о ноосфере
Контрольная работа по теме Антимонопольное законодательство. Право на результаты интеллектуальной деятельности
Курсовая работа по теме Технологический расчет комплексного технического обслуживания
5 Класс Написать Сочинение Про Гоголя
Статья На Тему Использование Полиэлектролитных Микрокапсул С Целью Разработки Систем Адресной Доставки Биологичеcки Активных Веществ
Прогнозирование Развития Компании Курсовая
Контрольная работа: Контрольная работа по Материаловедению
Оценка Результатов Труда Реферат
Реферат На Тему Предмет И Задачи Логопедии. Дислалия
Курсовая работа: Формирование пространственных представлений у детей в норме с общим недоразвитием речи
Контрольная Работа По Ломоносову 9 Класс
Отчет по практике по теме Анализ финансовой устойчивости ООО 'ПРЕДСТАВИТЕЛЬ'
Пример Отчета По Переводческой Практике
Контрольные Работы По Четвертям 5 Класс
Эссе по теме Идеи Карен Хорни применительно к социальной работе
Реферат: Маркс в философии права. Скачать бесплатно и без регистрации
Реферат: A Biography Of Jacob Essay Research Paper
Курсовая работа: Контроль товарных операций в розничной торговле
Дипломная работа по теме Использование предметно-развивающей среды как условия обогащения игры-драматизации
Реферат: Котлован 2
Контрольная работа по теме Сущность инноваций
Применение Игровых Технологий В Обучении Курсовая
Сочинение Рассуждение По Высказыванию Лихачева
Дипломная работа по теме Формы презентации современной молодёжной поэзии и их популяризация в медиапространстве
Реферат: Типы Звезд. Скачать бесплатно и без регистрации
Реферат по теме Законы взаимоотношений человек-общество-природа
Контрольная Работа На Тему Заболевания, Обусловленные Поражением Поясничного Отдела Головного Мозга
Реферат: Executive Summary Of Pepsico Finance Essay Research
Реферат: Понятие, структура и методики построения страховых тарифов
Виртуальная Реальность В Медицине Реферат
Контрольная работа: Комплексная оценка актуального функционального состояния
Курсовая работа по теме Робота з програмою FineReader
Дипломная работа по теме Социально-психологические барьеры построения карьеры женщины
Отчет по практике по теме Деятельность ООО 'Газпром'
Методичка На Тему Экономика Физической Культуры И Спорта
Курсовая Работа На Тему Проектирование Радиоэлектронных Средств С Помощью Эвм
Реферат: История родов
Лабораторная Практическая Работа 3
Реферат: Product Liability Essay Research Paper Product LiabilityEvery
Чем Опасны Митрофанушки Сочинение
Курсовая работа по теме Всемирная организация интеллектуальной собственности: этапы составления и деятельность на современном этапе
Курсовая работа по теме Анализ специфики имиджа предприятий туристического бизнеса
Курсовая работа по теме Уравнения состояния жидкостей и кристаллов
Реферат: Заключение внешнеторгового контракта
Контрольная Работа На Тему Окончание Предварительного Следствия С Составлением Обвинительного Заключения
Эволюция Мировой Валютной Системы Курсовая Работа
Реферат по теме Управление маркетинговой деятельностью
Глобальные сети АТМ
Сочинение На Публицистическую Тему 8 Класс
Реферат по теме Сравнительный анализ заболевания Мочекаменная болезнь среди наиболее часто регистрируемых болезней мелких животных
Курсовая работа по теме Идентификация продовольственных товаров (кофе)
Курсовая Работа На Тему Феминизм В России: Культурные Аспекты
Чрезвычайные Ситуации Характерные Для Рмэ Реферат
Бухгалтерский Управленческий Учет Отчет По Практике
Реферат по теме Глобальна нестабільність фінансових ринків в умовах світової кризи
Реферат: Основные функции политических лидеров
Курсовая Работа На Заказ Казань
Аттестационная Работа Педиатрической Медсестры
Курсовая работа: Психологічні особливості внутрішньоособистісних конфліктів
Эссе На Тему Природопользование
Собрания Сочинений Классики
Эссе На Тему Фольклор Моего Детства
Культура Запада Реферат
Реферат: Софья Фамусова. Скачать бесплатно и без регистрации
Итоговая Контрольная Работа М
Курсовая работа по теме Удаление комментариев из текста программ
Реферат На Тему Виды Презентации
Курсовая работа: Учет основных средств 9
Курсовая работа: Принятие управленческих решений на основе анализа производственно-хозяйственной деятельности
Дипломная работа по теме Таможенное дело в Российской Федерации и его правовые основы
Реферат: Обучающие программы
Реферат: Romeo And Juliet Fate Or Free Essay
Учет И Анализ Диссертация
Контрольная работа: Характеристика і прогнозування операцій на валютному ринку
Реферат по теме История болезни: сальмонеллез
Курсовая Работа На Тему Схематическое Моделирование При Обучении Решению Задач На Движение (Младшие Школьники)
Курсовая работа по теме Проектирование электроснабжения заготовительно-сварочного цеха






































































